s3c2440学习之路-009 nor flash的简单配置
- 基本原理
- 主要寄存器说明
- 源码
硬件平台:jz2440
软件平台:Ubuntu16.04 arm-linux-gcc-3.4.5
源码位置: https://github.com/lian494362816/C/tree/master/2440/010_nor_flash_tacc
文章目录
- 1.原理
- 1.1 Bank的划分
- 1.2时序
- 2.主要寄存器
- 2.1BWSCON
- 2.2BANKCON0
- 3.源码
1.原理
1.1 Bank的划分
2440支持nand flash 和 nor flash启动, 不过nor flash启动时使用的是最保守的配置,即相关的时钟设置成最小值以保证低性能的nor flash也可以工作。nor flash启动时,CPU是从nor flahs读取指令,因为nor flash的访问速度慢导致程序执行的也慢,所以要加快nor flash的运行。这就需要修改nor flash配置相关的寄存器,让其达到最高的访问速度。
2440将内存的控制分成了8个Bank, 通过GCSn引脚来控制。nor flash接在Bank0上,通过GCS0来控制。这个控制是由2440自动来完成,当你访问的内存地址在0x0000_0000~0x0800_0000之间,2440就会自动选通GCS0,因此我们只关注寄存器配置部分即可。


1.2时序
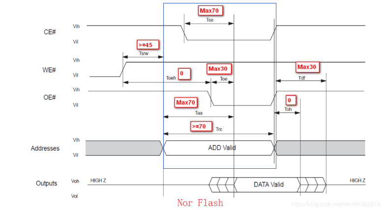
先分析一下nor flash的时序。
Tsrw:读、写操作之间的潜伏期 大于45ns
Toeh:输出使能的保持时间 0
Tce:片选使能后过多久数据才有效 70ns之内
Toe:输出使能后过多久数据才有效 30ns之内
Taa:地址信号后过多久数据才有效 70ns之内
Trc:读取数据的周期 大于70ns
Tdf:输出使能或片选使能关闭 多久之后数据才稳定 最大30ns
Tch:片选使能的保持时间 0
通过时序图可以了解到,Toec Toe Taa Tce的时间都是包含在Trc里面的,如果同时发出 使能信号、地址信号、数据信号只要保证Trc大于70ns即可。
Tsrw 需要大于45ns, 不过nor flash的手册有备注说明只是取样所得,不是100%, 因此暂不管这个参数
Tdf 需要30ns,2440没有对应的参数可以设置,因此无法管了


2440可以设置时序的参数不多, 可以看到初始值Tacc是111b(14clock),Tacc刚好对应Nor flash 的Trc。因此保证Tacc大于70ns 即可保证Nor flash稳定工作
一开始2440是由外部的12M晶振提供时钟,此时Nor flash 的访问周期就等于14/12M = 11.67ms。当系统时钟配置好后,HCLK=100M, 此时的访问周期等于14/100M = 0.14ms=140ns。
这里我们要把Tacc配置成101b(8clock),让访问时间等于80ns,以最大限度提高nor flash


2.主要寄存器
2.1BWSCON
配置位宽,由2440上电读取引脚OM[1:0]决定,因此不用配置


2.2BANKCON0
只需要将Tacc配置成8clock即可。 (个人感觉前面讲 nor flash 的Tsrw Tdf可以通过配置Tcah来解决,不过目前没有配置程序一样也可以跑,所以没有管了)


3.源码
init.c
int bank0_tacc_set(int value)
{/* nor flash can change 0->1, but can't change 1->0so can't clear [10:8]*///BANKCON0 &= ~(0x7 << 8);//BANKCON0 |= (value << 8);BANKCON0 = value << 8;return 0;
}
main.c
int led_test(void)
{int i = 0;led_init();for (i = 4; i <= 6; i++){led_on(i);delay(100000);led_off(i);}
}int main(int argc, char *argv[])
{int c = 0;uart0_init();while(1){printf("please input num[0~7]\n\r");c = getchar();putchar(c);if (c >= '0' && c <= '7'){bank0_tacc_set(c - '0');led_test();}else{printf("please input num[0~7]\n\r");}}return 0;
}
在main函数中,通过输入0~7来给Tacc赋值,led_test是一个流水灯程序。(程序必须以nor 启动)
通过流水灯执行的快慢,来观察给Tacc赋不同值得效果。可以明显的观察到当输入5(8clock)和7(14clock)时,输入5流水灯会执行的更加快。根据测试,输入4~7都可正常工作。
这里有个问题,就是不能执行BANKCON0 &= ~(0x7 << 8), 因为Tacc被清零,此时clcok=0, nor flash就不能正常工作了。
本文来自互联网用户投稿,文章观点仅代表作者本人,不代表本站立场,不承担相关法律责任。如若转载,请注明出处。 如若内容造成侵权/违法违规/事实不符,请点击【内容举报】进行投诉反馈!
