灵思科电子科技—新唐 Cortex - m0 RS-485的使用
最近在完成一个modbus网关的项目需要将服务端下发的数据流用485接口和从机进行通讯。

带485接口的物联网网关
作为一枚入行两年的资深小白,开发的第一步当然是打开Demo,拷贝它学习它。 从注释来看样例程序使用的是自动方向控制模式(AUD)。再看一下DataSheet的介绍,我了解到IC的UART控制器本身支持的模式共三种:RS-485 普通多点操作模式(NMM),RS-485 自动地址识别模式(AAD),还有本文将要介绍的自动方向控制模式。想继续看懂DataSheet中专业的寄存器描述,我们需要先热热身--了解一下什么是485。

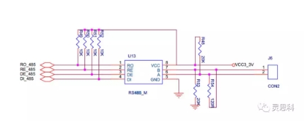
485原理图
首先485不是一种软件协议而是一种硬件上的串行通讯标准。485的电气特性为逻辑"1":+(2v~6v)压差,逻辑"0":-(2v~6v)压差。RS485有两种接线一种是四线制一种是两线制。原因在于485的传输信号为差分信号,即使在某时刻单向传输也需要两个引脚共同作用,想要全双工就得比RS232多两根线用四线制。除了两个引脚产生差分信号,485通信过程中还需要两个引脚进行流控制。这两个引脚的功能相当于门卫。它们
本文来自互联网用户投稿,文章观点仅代表作者本人,不代表本站立场,不承担相关法律责任。如若转载,请注明出处。 如若内容造成侵权/违法违规/事实不符,请点击【内容举报】进行投诉反馈!
