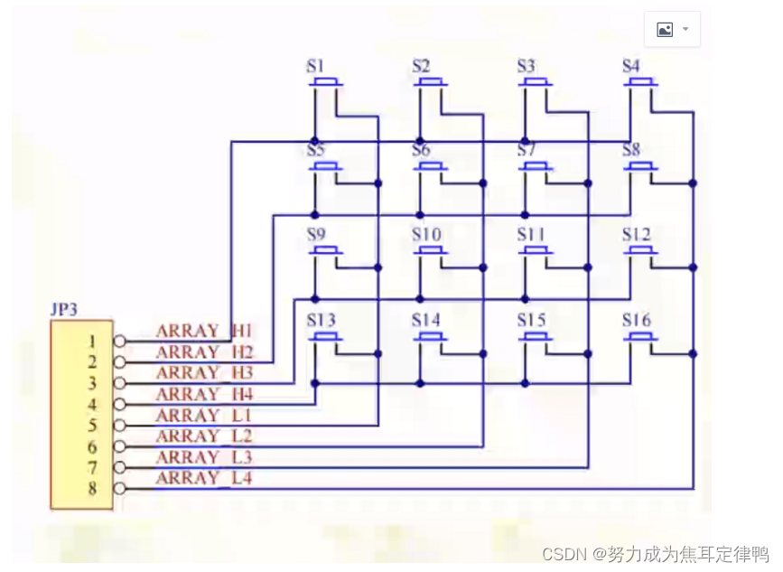
单片机:矩阵按键(行列法和线翻转法都有)
硬件部分(A2-A4和A5-A7芯片有所不同)
A2-A4

A5-A7
(考虑兼容性,推荐8-1端口依次使用P10-P17)

软件部分:

行列法
#include"reg52.h"
typedef unsigned char u8;
typedef unsigned int u16;
#define SMG_A_DP_PORT P0//数码管对应端口定义
#define KEY_MATRIX_PORT P1//矩阵按键函数端口定义
//共阴数码管输入以下值分别会显示0-F
u8 gsmg_code[17]={0x3f,0x06,0x5b,0x4f,0x66,0x6d,
0x7d,0x07,0x7f,0x6f,0x77,
本文来自互联网用户投稿,文章观点仅代表作者本人,不代表本站立场,不承担相关法律责任。如若转载,请注明出处。 如若内容造成侵权/违法违规/事实不符,请点击【内容举报】进行投诉反馈!
