PL7501C 5V 输入升压型双节锂电池充电管理芯片
PL7501C 5V 输入升压型双节锂电池充电管理芯片
概要
PL7501C 是一款 3.6V-5.5V 输入,1A 输出,双节锂电池/锂离子电池充电的异步升压
充电控制器。具有完善的充电保护功能。针对不同的应用场合,芯片可以通过方便地调节外部电阻的阻值来改变充电电流的大小。针对不同种类的适配器,芯片内置自适应电流调节环路,智能调节充电电流大小,从而防止充电电流过大而拉挂适配器的现象。该芯片将功率管内置从而实现较少的外围器件并节约系统成本。
PL7501C 的升压开关充电转换器的工作频率为 600KHz,最大 2A 输入充电,转换效
率为 90%。PL7501C 输入电压为 5V,内置自适应环路,可智能调节充电电流,防止拉挂适配器输出可匹配所有适配器。
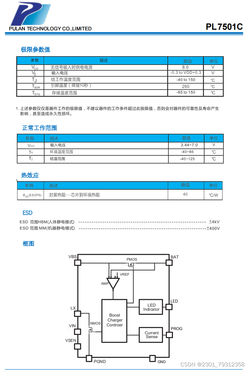
PL7501C 提供 ESOP8 封装(底部焊盘)。
特点
·升压充电效率 90%
·充电电流外部可调
·自动调节输入电流,匹配所有适配器
·支持 LED 充电状态指示
·内置功率 MOS
·600KHz 开关频率
·输出过压,输出短路保护
·输入欠压,输入过压保护
·过温保护
应用
·移动电源
·蓝牙音箱
·电子烟
·对讲机

本文来自互联网用户投稿,文章观点仅代表作者本人,不代表本站立场,不承担相关法律责任。如若转载,请注明出处。 如若内容造成侵权/违法违规/事实不符,请点击【内容举报】进行投诉反馈!
