带隙基准电路设计hspice和virtuoso设计
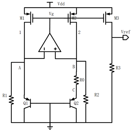
简易的带隙基准电路主要有两种结构,电压模结构和基于OP的电流模结构,但是电压模结构的主要问题在于无法生成任何适合的电压,所以目前采取主要是基于电流模的带隙基准电路,如下图所示:

在室温下PNP晶体管的PN结二极管产生的电压为Vbe ,且具有一定的温度系数,约为-1.5 mV/℃~-2mV/℃,同时也产生了一个热电压 VT ( =kT/q),与绝对温度成一个正比的关系,可以看出这两者的大小随着温度的变化成相反的关系,所以可以使用合适的电路将这种关系叠加起来。通过M2的电流一部分是因为通由于Vbe 在 R2上产生的,还有一部分两个晶体管的 ΔVbe在R0 产生的电流 :

其中M3和M2的宽长比之为M,使得总的温度系数为零,就制成了稳定的偏置电路,偏置电压不随温度变化。但实际中VBE还存在着高阶的温度变化量,在温度较高的时候,Vbe随电压变化的趋势更加明显,所以实际的基于一阶的带隙基准的电压偏置电路在较大范围内仍然会出现电压的偏移,需要更高阶的补偿方式。
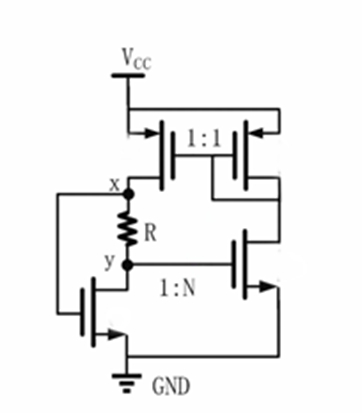
而所有的电路需要一个提供电流的偏置电路,目前常见的自偏置电路有基于Vgs/R,ΔVgs/R的电路结构,这里采用的是峰值型ΔVgs/R电路,如下图所示:

从上到下,从左到右依次是M1,M2,M3,M4,这里需要注意的是需要使得所有的晶体管处于饱和区,则电流为:

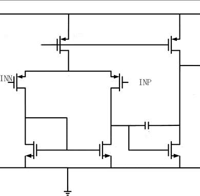
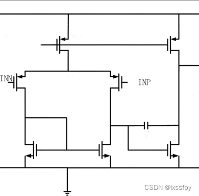
OP电路为了提高增益采用两级结构:

通过合适的宽长比使得自偏置电路为OP提供电流偏置,需要注意的是密勒电容对带宽影响极大,而若OP的带宽比较小容易使带隙基准电路在较高频干扰信号影响下使OP失去钳位能力,但是带宽较大容易使得OP的相位裕度较小,需要进行折衷考虑。
将所需的结构结合在一起何以得到如下的电路结构,为带隙基准的总体电路,亦可加如启动电路使整体电路防止锁定无法启动。

通过HSPICE软件使用smic 0.5um设计此电路,一般来说一阶带隙基准电路的温度系数最小也有10ppm/℃以上,这里设计的带隙基准电路产生的偏置电压约为1.25V,这是最常用的电压之一,仿真的温度范围为-40℃到125℃得出的仿真图如图所示:

通过直流扫描可以得到通过vdd的静态电流为31.4uA,经过计算温度系数约 =15.5ppm/℃
更详细的分析和网表代码编写可参考如下文档:https://download.csdn.net/download/lxssfpy/85226432?spm=1001.2014.3001.5503
当然,现在更加常用的是virtuoso软件进行电路设计,使用TSMC18工艺同样搭建带隙基准电路如下图所示

左侧使用了一个自偏置电流基准电路用以给运放提供偏置电流。除了由运放还需要给此运放电路加入偏置电路,本次电路中所采用的电路为普通的自偏置型,如下图所示。M1和M2宽长比相同,因此产生的电流是相同的。而M3和M2的宽长比为4:1,所以同样的电流会使得过驱动电压产生区别,从而产生了ΔVgs,产生的偏置电流即为ΔVgs/R0 ,通过控制OP电流源PMOS宽长比就能控制OP的电流。此电路未添加启动电路,会存在简谐点的问题,在tt下仿真如下所示

常见的启动电路的设计是通过两个开关来实现的,第一个使用nmos或者pmos使得某个异常状况下的电压能使此管子导通,并将后级拉到低电平或者高电平,同时使得后级的导通,将电路某些节点拉离此状态,而当到达稳定状态会关闭第一个管子的同时关闭后级的管子,从而使得电路达到稳定状态。
如下图所示就是在原基础上添加了一个简单的启动电路,同时简单调节了一下电路的参数。在简谐点时电阻R1上端电压很低,而M10和M11的电压很高,整个PNP管相当于于没有通过电电流产生的参考电压自然很小。现在添加了此参考电路之后,就可以将电路拉离此状态。首先M15管导通,将M16的栅极电压拉低,使M16导通,就会将M10和M11栅极电压拉低,从而使带隙基准电路开始正常工作。此时PNP管的电压会上升,从而关闭M15,从而关闭M16,进入工作状态。整个启动电路的环路必须是负反馈的,不然无法稳定。电阻的选择需要一定的考虑,使启动电路能成功开启和关闭。当然添加此电路后会使其他性能恶化如PSRR。

在这里插入图片描述
如下图所示,此问题已被解决

本文来自互联网用户投稿,文章观点仅代表作者本人,不代表本站立场,不承担相关法律责任。如若转载,请注明出处。 如若内容造成侵权/违法违规/事实不符,请点击【内容举报】进行投诉反馈!
