石英晶体的相关知识
1. 石英晶体之所以能做振荡电路,是依靠它的压电效应,当外加交变电压时,会产生形变,而形变又会反过来产生交变电场。机械形变振幅较小,晶体振动的频率比较稳定。当外加交变电压的频率和晶体的固有频率相等时,机械振动的振幅急剧增加。其电气特性表现为电感。
2. 石英晶体的输出频率主要取决于其本身,是在晶体出厂时就确定了的,只能借助CL1,CL2微调。
3. 根据晶体的切割角度,可分为AT-cut,BT-cut等。40MHz及以下的晶体一般用AT-cut。
4. 晶体的输出频率会随着温度改变而略微改变,即ppm会上下浮动,如图:


AT-cut的频偏会小一些。一般如果ppm的规格要求<25ppm,就需要额外加筛选程序。
5. 晶体本身输出的频率是比较纯净的,ppm也相对小,倒是后级的PLL等电路会引入其他jitter,noise等。
6. 石英晶体的等效电路为:

L1大C1小,Q值高,L1,C1形成一串联谐振电路,R1为等效串联电阻ESR,会影响到Q值和起振特性。C0不可以太大。C1远小于C0.
7. 石英晶体在实际使用时,输出频率为:

可见,由于C1很小,CL1和CL2影响频率f的能力有限,一般小于1000ppm。
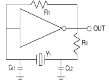
8. 石英晶体的工作电路大致为:

一个inverter作为负阻抗,和石英晶体形成振荡回路。右图中由MN提供互导gm,且PD讯号可以控制停振。

9. 负阻抗需要是ESR的5倍(先进制程)or 3倍(.18um以下旧制程)以上,才能保证电路能够稳定起振。
本文来自互联网用户投稿,文章观点仅代表作者本人,不代表本站立场,不承担相关法律责任。如若转载,请注明出处。 如若内容造成侵权/违法违规/事实不符,请点击【内容举报】进行投诉反馈!
