educoder数字逻辑实训:计数器设计与应用-24小时计时器(Logisim)
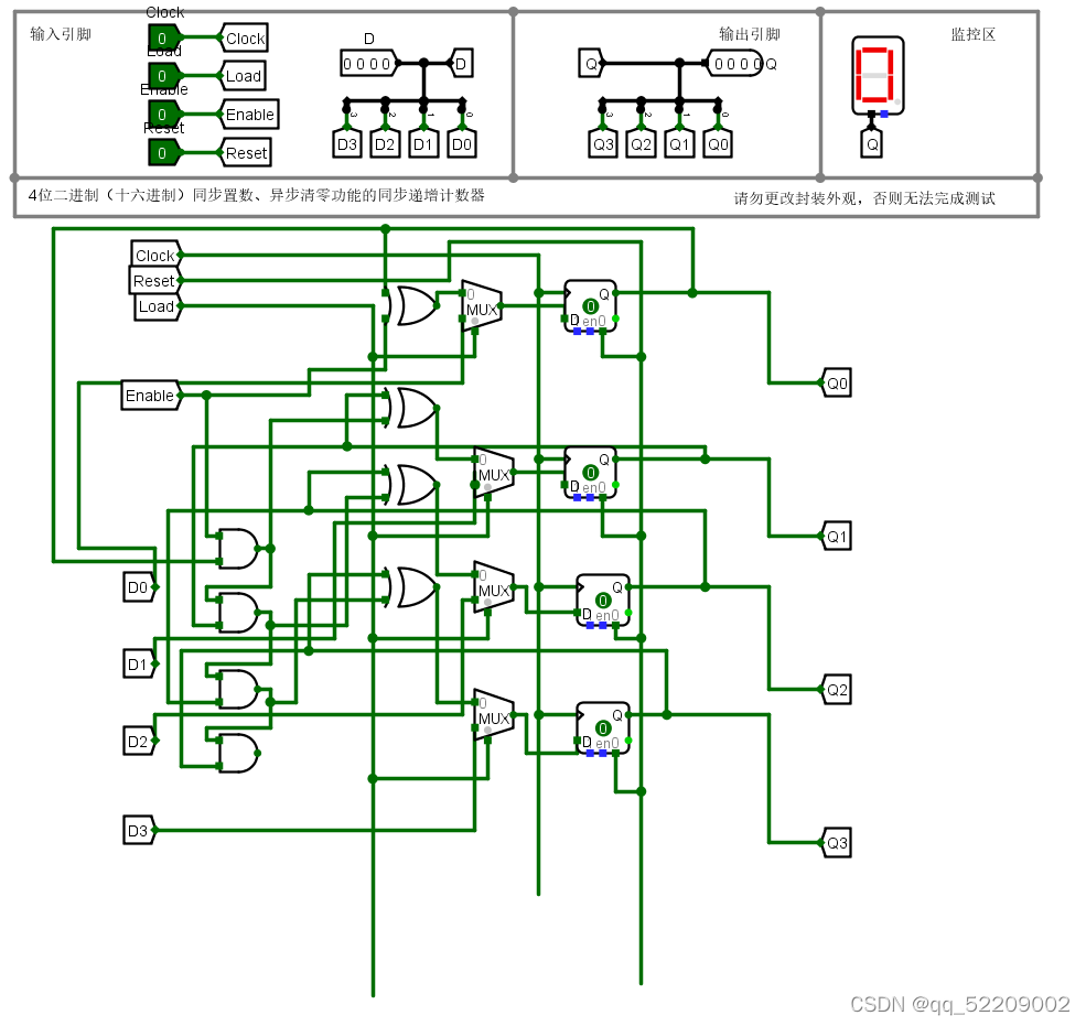
第1关:4位递增计数器的设计
任务描述
本关任务:设计一个4位二进制(十六进制)同步递增计数器,要求具有同步置数、异步清零功能。

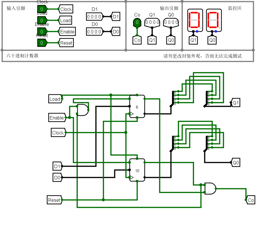
第2关:六进制计数器的设计
任务描述
本关任务:在第1关设计的计数器基础上,利用反馈原理设计一个六进制计数器,要求具有同步置数、异步清零功能。

第3关:十进制计数器的设计
任务描述
本关任务:在第1关设计的计数器基础上,利用反馈原理设计一个十进制计数器,要求具有同步置数、异步清零功能。

第4关:60进制计数器的设计
任务描述
本关任务:在第2关六进制计数器和第3关十进制计数器基础上,用级联的方法构建一个六十进制计数器,要求具有同步置数、异步清零功能。

第5关:24进制计数器的设计
任务描述
本关任务:利用两个在第3关设计的十进制计数器,用级联的方法构建一个24进制计数器,要求具有同步置数、异步清零功能。

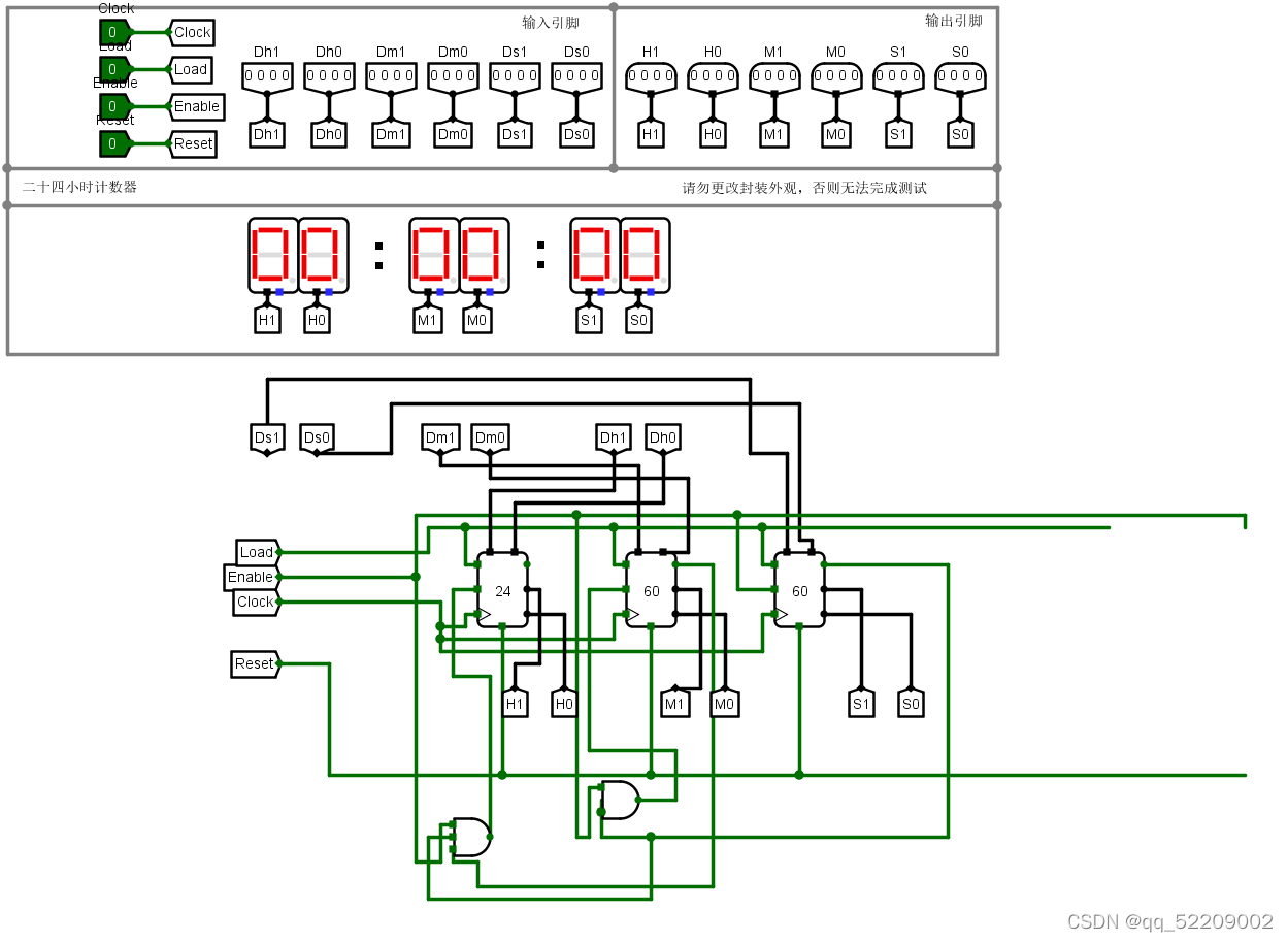
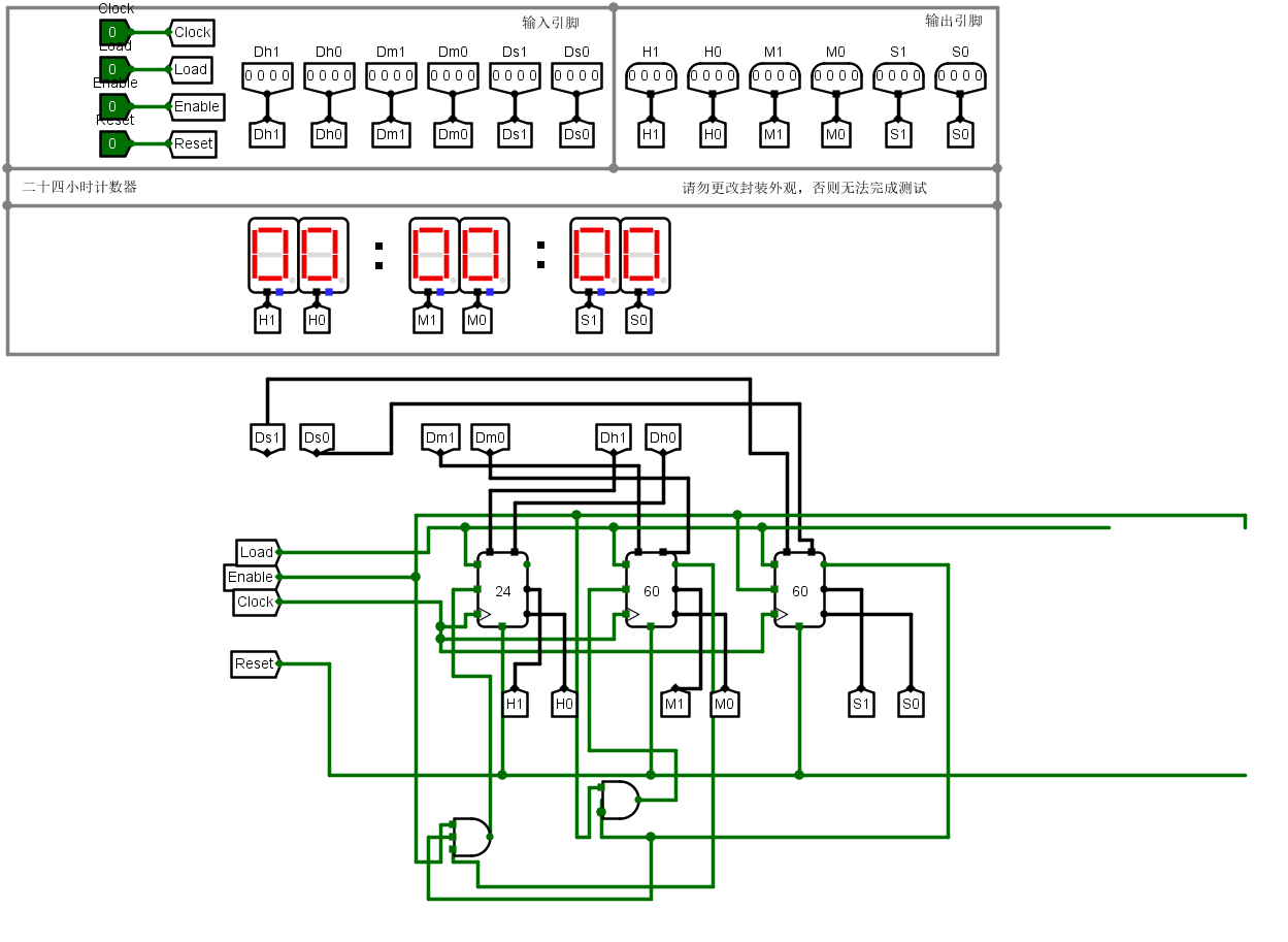
第6关:24小时计时器设计(系统集成)
任务描述
本关任务:利用前面关卡中设计的60进制计数器和24进制计数器,来级联构建一个24小时的计时器,要求具有同步置数、异步清零功能。

本文来自互联网用户投稿,文章观点仅代表作者本人,不代表本站立场,不承担相关法律责任。如若转载,请注明出处。 如若内容造成侵权/违法违规/事实不符,请点击【内容举报】进行投诉反馈!
