【雕爷学编程】Arduino动手做(144)---KA2284 电平模块
37款传感器与执行器的提法,在网络上广泛流传,其实Arduino能够兼容的传感器模块肯定是不止这37种的。鉴于本人手头积累了一些传感器和执行器模块,依照实践出真知(一定要动手做)的理念,以学习和交流为目的,这里准备逐一动手尝试系列实验,不管成功(程序走通)与否,都会记录下来—小小的进步或是搞不掂的问题,希望能够抛砖引玉。
【Arduino】168种传感器模块系列实验(资料代码+仿真编程+图形编程)
实验一百四十四:KA2284 电平指示模块 5点LED电量/音频音乐旋律显示器

知识点:KA2284
是用于5点LED 电平指示的芯片,内含的交流检波放大器,适用于 AC/DC 电平指示,如VU仪表或信号指示器。
KA2284的特点
●内含高增益交流检波放大器(Gv=26dB);
●当 LED 点亮时,有较低辐射噪声;
●对数型的 5 点 LED 指示器(-10dB、-5dB、0dB、3dB、6dB);
●恒定电流源输出(15mA);
●较宽的工作电源电压(3.5V~16V);
●ALC 电路不需套接二极管或晶体管;
●极少的外接元器件;
●采用单列直插 9 脚塑料封装(SIP9)。

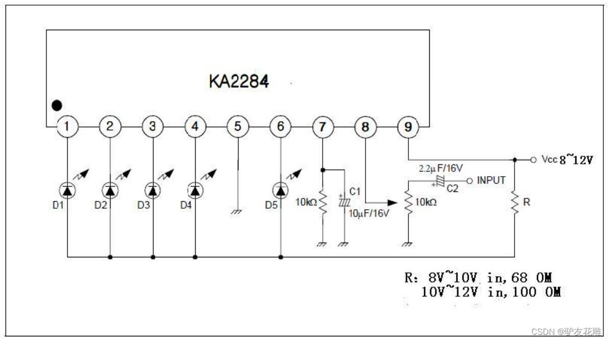
KA2284引脚功能图,KA2284管脚定义
其①比较器A、②比较器B、③比较器 C、④比较器D、⑤地、⑥比较器E、⑦放大输出、⑧输入、⑨电源 VCC。


KA2284应用电路

KA2284的5段LED电平指示模块
电平指示器实际上也就是一个AD转换器,输入高低不同的电压,就可以输出5个LED不同的点亮状态,不同的是,LED只能顺序点亮和熄灭,输出也只有6个状态,即“全熄–亮1–再亮2–再亮3–再亮4–再亮5”。
电平指示常常用LED点亮的数量来做功放输出或者环境声音大小的指示,即声音越大,点亮的LED越多,声音越小,点亮的LED越少。不过,在欣赏音乐时,光线随着音乐而有节律的变化,的确给人美的享受!

KA2284电平模块特性
1,芯片:KA2284
2,宽电源电压,3.5-16V都可以工作
3,5 LED电平显示
4,发光二极管的颜色可以配多种,使功放输出状态一览无遗
5,可调节可调阻值,调节起控电平,不管功放输出多大都可调节
6,仅电源与音频信号2组线,接线简单
7,可外接电源状态显示指示灯
8.交流和直流信号可以通过跳线来控制
9. PCB板尺寸:29(mm)x21(mm)

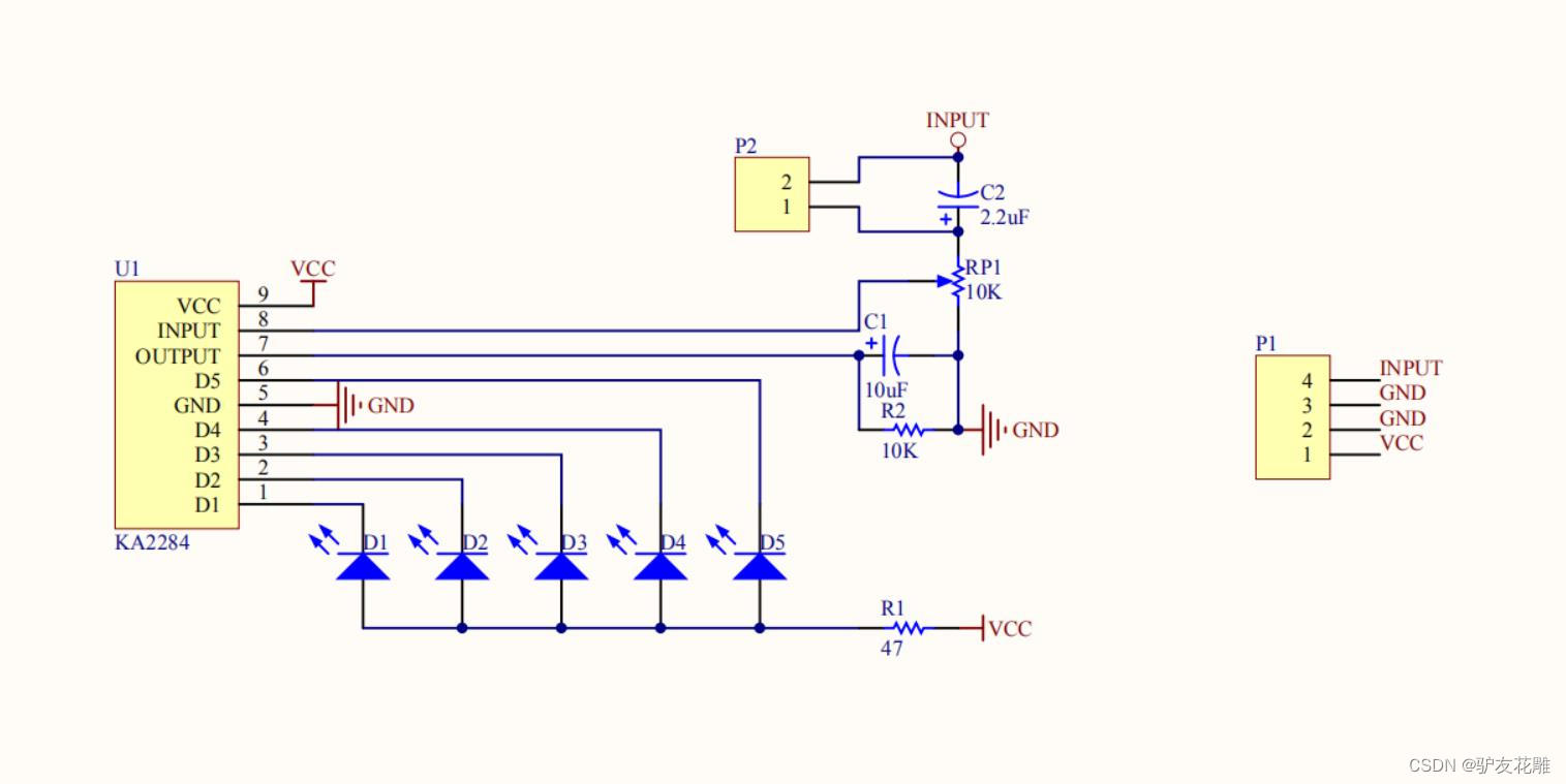
KA2284电平模块电原理图


使用KA2284的电子DIY套件,需要一些焊接经验。 PCB(印刷电路板)与DIY套件一起提供,需要焊接,因此名称为DIY KIT,所有电阻器是0.25w金属膜。
构建此套件的所有组件
1 * PCB板(颜色随机出货)
2 * XH2.54-2P曲线连接器
2 * XH2.54-2P线
1 * 100R金属膜电阻器
1 * 10KR金属膜电阻器
1 * 2.2UF
1 * 10UF
1 * 蓝色和白色电位器
1 X KA2284
5×5mm绿色led
1 X 5mm红色led

KA2284的电子DIY套件电原理图



【Arduino】168种传感器模块系列实验(资料代码+图形编程+仿真编程)
实验一百四十四:KA2284 电平指示模块 5点LED电量/音频音乐旋律显示器
程序一:通过读取电位器输入的电压值来控制电平模块的亮灯数量(0-5)
实验接线:电位器模块OUT接Uno的A0,电平模块接D6(pwm)
/*【Arduino】168种传感器模块系列实验(资料代码+图形编程+仿真编程)实验一百四十四:KA2284 电平指示模块 5点LED电量/音频音乐旋律显示器程序一:通过读取电位器输入的电压值来控制电平模块的亮灯数量(0-5)实验接线:电位器模块OUT接Uno的A0,电平模块接D6(pwm)*/int levelModule = 6;int readValue = 0; //保存读到的模拟值int ledValue = 0; //保存LED灯占空比void setup() {pinMode(levelModule, OUTPUT); //数字口要选择带~号的具有pwm功能的输出口}void loop() {readValue = analogRead(A0); //读取A0模拟口的数值(0-5V 对应 0-1024取值)ledValue = map(readValue, 0, 1023, 0, 5);// 将0到1024之间的数据映射成0到5之间的数据analogWrite(levelModule, ledValue); //PWM最大取值5}
Arduino实验场景图

实验开源图形编程(Mind+、编玩边学)

【Arduino】168种传感器模块系列实验(资料代码+图形编程+仿真编程)
实验一百四十四:KA2284 电平指示模块 5点LED电量/音频音乐旋律显示器
程序:使用MAX9814咪头模块的动感节奏音乐旋律电平灯
实验接线:MAX9814咪头模块OUT接Uno的A0,电平模块接D6(pwm)
/*【Arduino】168种传感器模块系列实验(资料代码+图形编程+仿真编程)实验一百四十四:KA2284 电平指示模块 5点LED电量/音频音乐旋律显示器程序:使用MAX9814咪头模块的动感节奏音乐旋律电平灯实验接线:MAX9814咪头模块OUT接Uno的A0,电平模块接D6(pwm)*/int levelModule = 6;int readValue = 0; //保存读到的模拟值int ledValue = 0; //保存占空比void setup() {pinMode(levelModule, OUTPUT); //数字口要选择带~号的具有pwm功能的输出口}void loop() {readValue = analogRead(A0); //读取A0模拟口的数值(0-5V 对应 0-1024取值)ledValue = map(readValue, 0, 1023, -1, 6);// 将0到1024之间的数据映射成-1到6之间的数据analogWrite(levelModule, ledValue); //PWM最大取值6}
使用MAX9814咪头模块的动感节奏音乐旋律电平灯
实验场景图

【Arduino】168种传感器模块系列实验(资料代码+图形编程+仿真编程)
实验一百四十四:KA2284 电平指示模块 5点LED电量/音频音乐旋律显示器
程序:通过读取MAX9814咪头模块输入的电压值来控制电平模块的亮灯数量(0-5)
实验接线:MAX9814咪头模块OUT接Uno的A0,电平模块接D6(pwm)
/*【Arduino】168种传感器模块系列实验(资料代码+图形编程+仿真编程)实验一百四十四:KA2284 电平指示模块 5点LED电量/音频音乐旋律显示器程序:通过读取MAX9814咪头模块输入的电压值来控制电平模块的亮灯数量(0-5)实验接线:MAX9814咪头模块OUT接Uno的A0,电平模块接D6(pwm)*/int levelModule = 6;int readValue = 0; //保存读到的模拟值int ledValue = 0; //保存LED灯占空比void setup() {pinMode(levelModule, OUTPUT); //数字口要选择带~号的具有pwm功能的输出口}void loop() {readValue = analogRead(A0); //读取A0模拟口的数值(0-5V 对应 0-1024取值)ledValue = map(readValue, 0, 1023, -1, 6);// 将0到1024之间的数据映射成-1到6之间的数据analogWrite(levelModule, ledValue); //PWM最大取值6}
使用MAX9814咪头模块的动感节奏音乐旋律电平灯(测试视频40秒)
https://v.youku.com/v_show/id_XNTE2OTUyMzgwOA==.html?spm=a2hcb.playlsit.page.1

本文来自互联网用户投稿,文章观点仅代表作者本人,不代表本站立场,不承担相关法律责任。如若转载,请注明出处。 如若内容造成侵权/违法违规/事实不符,请点击【内容举报】进行投诉反馈!
