MCU学习笔记_WaveDrom Editor工具使用总结
WaveDrom指南
WaveDrom是一个JavaScript应用程序。WaveJSON是一种描述数字时序图的格式。WaveDrom直接在浏览器中呈现图表。元素“信号”是一组微波。每个wavane都有两个必填段:“name”和“wave”。
步骤一、信号
创建一个名为“Alfa”的1位信号,随着时间的推移改变其状态。
{ signal: [{ name: "Alfa", wave: "01.zx=ud.23.45" }] }
“wave”字符串中的每个字符代表一个单独的时间段。符号“。”将先前的状态延长一个周期。它看起来是这样的:
![]()
步骤二、增加时钟
数字时钟是一种特殊类型的信号。它在每个时间段变化两次,可以有积极的或消极的极性。它也可以在工作边缘有一个可选的标记。时钟的块可以与其他信号状态混合,以创建时钟门控效果。
代码如下:
{ signal: [{ name: "pclk", wave: 'p.......' },{ name: "Pclk", wave: 'P.......' },{ name: "nclk", wave: 'n.......' },{ name: "Nclk", wave: 'N.......' },{},{ name: 'clk0', wave: 'phnlPHNL' },{ name: 'clk1', wave: 'xhlhLHl.' },{ name: 'clk2', wave: 'hpHplnLn' },{ name: 'clk3', wave: 'nhNhplPl' },{ name: 'clk4', wave: 'xlh.L.Hx' },]}
图:

步骤三、合在一起
典型的时序图会有时钟和信号(线路)。多位信号将尝试从“数据”数组中抓取标签。
{ signal: [{ name: "clk", wave: "P......" },{ name: "bus", wave: "x.==.=x", data: ["head", "body", "tail", "data"] },{ name: "wire", wave: "0.1..0." }]}

步骤四、逆电流器和缝隙
{ signal: [{ name: "clk", wave: "p.....|..." },{ name: "Data", wave: "x.345x|=.x", data: ["head", "body", "tail", "data"] },{ name: "Request", wave: "0.1..0|1.0" },{},{ name: "Acknowledge", wave: "1.....|01." }]}

步骤五、组合
波形可以以阵列的形式以命名的组来表示。(“组名称”,{…},{…},……数组的第一个条目是组的名称。组可以嵌套。
{ signal: [{ name: 'clk', wave: 'p..Pp..P'},['Master',['ctrl',{name: 'write', wave: '01.0....'},{name: 'read', wave: '0...1..0'}],{ name: 'addr', wave: 'x3.x4..x', data: 'A1 A2'},{ name: 'wdata', wave: 'x3.x....', data: 'D1' },],{},['Slave',['ctrl',{name: 'ack', wave: 'x01x0.1x'},],{ name: 'rdata', wave: 'x.....4x', data: 'Q2'},]]}

步骤六、时期和阶段
“周期”和“相位”参数可以用来调整每个wavane。
DDR读事务
{ signal: [{ name: "CK", wave: "P.......", period: 2 },{ name: "CMD", wave: "x.3x=x4x=x=x=x=x", data: "RAS NOP CAS NOP NOP NOP NOP", phase: 0.5 },{ name: "ADDR", wave: "x.=x..=x........", data: "ROW COL", phase: 0.5 },{ name: "DQS", wave: "z.......0.1010z." },{ name: "DQ", wave: "z.........5555z.", data: "D0 D1 D2 D3" }]}

步骤七、配置{}属性
配置:{…}属性控制呈现的不同方面。
hscale
属性控制图表的水平比例。用户可以输入任何大于0的整数。
{ signal: [{ name: "clk", wave: "p...." },{ name: "Data", wave: "x345x", data: ["head", "body", "tail"] },{ name: "Request", wave: "01..0" }],config: { hscale: 1 }}

skin
配置:{皮肤:“……'}属性可以用来选择WaveDrom皮肤。该属性只在页面上的第一个计时图中工作。WaveDrom编辑器包括两个标准皮肤:“默认”和“窄”
head/foot
head:{...} 和 foot:{...}属性定义时间关系图上方和下方区域的内容。
tick
-添加对齐到垂直标记的时间轴标签。
tock
-在垂直标记之间添加时间轴标签。
text
-添加标题/标题文本。
{signal: [{name:'clk', wave: 'p....' },{name:'Data', wave: 'x345x', data: 'a b c' },{name:'Request', wave: '01..0' }],head:{text:'WaveDrom example',tick:0,},foot:{text:'Figure 100',tock:9},}
|
|
head/ foot
文本具有SVG文本的所有属性。标准SVG tspan属性可以用来修改文本的默认属性。用于表示SVG文本内容的JsonML标记语言。可以使用和混合几种预定义的样式:
H1 h2 h3 h4 h5 h6——预定义的字体大小。
静音警告错误信息成功——字体颜色样式。
其他SVG tspan属性也可以自由式使用,如下所示。
{signal: [{name:'clk', wave: 'p.....PPPPp....' },{name:'dat', wave: 'x....2345x.....', data: 'a b c d' },{name:'req', wave: '0....1...0.....' }],head: {text:['tspan',['tspan', {class:'error h1'}, 'error '],['tspan', {class:'warning h2'}, 'warning '],['tspan', {class:'info h3'}, 'info '],['tspan', {class:'success h4'}, 'success '],['tspan', {class:'muted h5'}, 'muted '],['tspan', {class:'h6'}, 'h6 '],'default ',['tspan', {fill:'pink', 'font-weight':'bold', 'font-style':'italic'}, 'pink-bold-italic']]},foot: {text:['tspan', 'E=mc',['tspan', {dy:'-5'}, '2'],['tspan', {dy: '5'}, '. '],['tspan', {'font-size':'25'}, 'B '],['tspan', {'text-decoration':'overline'},'over '],['tspan', {'text-decoration':'underline'},'under '],['tspan', {'baseline-shift':'sub'}, 'sub '],['tspan', {'baseline-shift':'super'}, 'super ']],tock:-5}}

步骤八、Arrows
Splines
~ -~
<~> <-~>~> -~> ~->
{ signal: [{ name: 'A', wave: '01........0....', node: '.a........j' },{ name: 'B', wave: '0.1.......0.1..', node: '..b.......i' },{ name: 'C', wave: '0..1....0...1..', node: '...c....h..' },{ name: 'D', wave: '0...1..0.....1.', node: '....d..g...' },{ name: 'E', wave: '0....10.......1', node: '.....ef....' }],edge: ['a~b t1', 'c-~a t2', 'c-~>d time 3', 'd~-e','e~>f', 'f->g', 'g-~>h', 'h~>i some text', 'h~->j']}
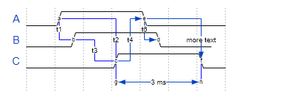
Sharp lines
- -| -|-
<-> <-|> <-|->-> -|> -|-> |->
{ signal: [{ name: 'A', wave: '01..0..', node: '.a..e..' },{ name: 'B', wave: '0.1..0.', node: '..b..d.', phase:0.5 },{ name: 'C', wave: '0..1..0', node: '...c..f' },{ node: '...g..h' }],edge: ['b-|a t1', 'a-|c t2', 'b-|-c t3', 'c-|->e t4', 'e-|>f more text','e|->d t6', 'c-g', 'f-h', 'g<->h 3 ms']}
步骤九、 Some code
(function (bits, ticks) {var i, t, gray, state, data = [], arr = [];for (i = 0; i < bits; i++) {arr.push({name: i + '', wave: ''});state = 1;for (t = 0; t < ticks; t++) {data.push(t + '');gray = (((t >> 1) ^ t) >> i) & 1;arr[i].wave += (gray === state) ? '.' : gray + '';state = gray;}}arr.unshift('gray');return {signal: [{name: 'bin', wave: '='.repeat(ticks), data: data}, arr]};})(5, 16)

来源WaveDrom Editor工具Guide
本文来自互联网用户投稿,文章观点仅代表作者本人,不代表本站立场,不承担相关法律责任。如若转载,请注明出处。 如若内容造成侵权/违法违规/事实不符,请点击【内容举报】进行投诉反馈!



