电机模型建立
电机模型的建模通常有两种类型,一种是物理模型,一种是效率查表模型
以下方法为效率查表模型
由文献魏琼.分布式驱动电动汽车直接横摆力矩控制策略研究中得到
对电机可以进行进一步的简化,将电机模型简化为比例一阶延时环节
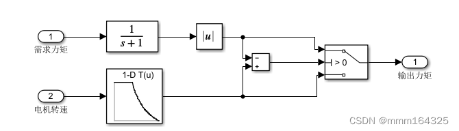
在该处直接简化为1/s+1
通过输入需求力矩输入到假设的电机模型中,得到输出力矩,电机输出的力矩与电机外特性曲线所得电机力矩相比较
(1)当电机模型输出力矩小于电机外特性曲线输出力矩,即轮毂电机输出力矩为电机模型输出力矩
(2)当电机模型输出力矩大于电机外特性曲线输出力矩,即轮毂电机输出力矩为电机外特性曲线输出力矩

电机外特性曲线建立步骤
1、建立数据点,因电机基本参数为峰值转速为1050,额定转速为430,即在matlab里从0到1050取点,以10为步长
2、在恒转矩区域转矩由电机基本参数可得为140N·M,恒转矩区域为转速从0到额定转速区间,由公式T = 9550p/n得出恒功率区域的转矩,恒功率区域为从额定转速到峰值转速区间
3、将转速与转矩一一对应,保存为mat文件,在lookup查表模块中插入转速与转矩的数据,形成电机外特性曲线图
本文来自互联网用户投稿,文章观点仅代表作者本人,不代表本站立场,不承担相关法律责任。如若转载,请注明出处。 如若内容造成侵权/违法违规/事实不符,请点击【内容举报】进行投诉反馈!
