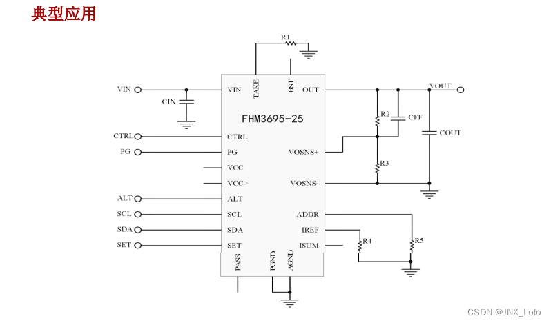
风华FHM3695-25兼容替代MPS MPM3695-25 LIP电源降压芯片EMI低
描述
FHM 3695-25 是一款可扩展的带有 PMBus 接口的塑
封式全集成电源模块。 FHM 3695-25 提供了一套完
整的电源解决方案,可实现高达 25A 的最大输出电
流,具有出色的负载调整率和线性调整率。它可在宽
负载范围内高效运行,并且可并联以提供更高的负载
电流。
FHM 3695-25 采用多相恒定导通时间(MCOT)控
制,这种控制方法可提供超快的瞬态响应和简单的环
路补偿。PMBus 接口提供对模块配置和对关键参数
的监控。
FHM 3695-25 具有全面保护功能,包括过流保护
(OCP), 过 压 保 护 (OVP),欠 压 保 护
(UVP)和过温保护(OTP)。FHM 3695-25 最大
限度地减少了外部元器件的使用,采用LGA -59
(10mm×12mm×4.32mm)封装。
特性
◼ 输入电压范围:4V-16V
◼ 输出电压:0.6-5.5V范围内可调
◼ 最高效率:95%
◼ 额定输出电流:20A
◼ 最大输出电流:25A
◼ 多相并联:最多可8相并联,并联最大电流
可达200A
◼ 尺寸: 10mm × 12mm ×4.32mm(LGA)
应用
◼ 电信和网络系统
◼ 工业设备
◼ 服务器和计算
◼ FPGA / ASIC AI 和数据挖掘
本文来自互联网用户投稿,文章观点仅代表作者本人,不代表本站立场,不承担相关法律责任。如若转载,请注明出处。 如若内容造成侵权/违法违规/事实不符,请点击【内容举报】进行投诉反馈!
