创龙基于TI TMS320C6748定点/浮点DSP C674x开发板的BOOT SET启动选择开关、Micro SD卡接口
TL138/1808/6748F-EVM是广州创龙基于SOM-TL138/1808/6748F核心板开发的一款开发板。由于SOM-TL138/1808/6748F核心板管脚兼容,所以此三个核心板共用同一个底板。开发板采用核心板+底板的设计方式,尺寸为24cm*13cm,它主要帮助开发者快速评估核心板的性能。
核心板采用高密度8层板沉金无铅设计工艺,尺寸为66mm*38.6mm,板载3路高转换率DC-DC核心电压转换电源芯片,实现了系统的低功耗指标,精密、原装进口的B2B连接器引出全部接口资源,以便开发者进行快捷的二次开发使用。
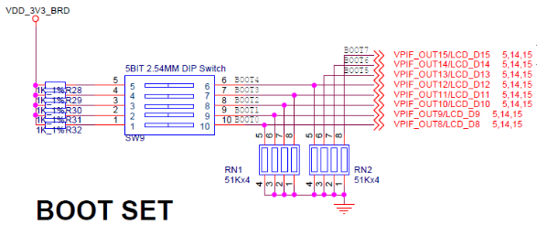
BOOT SET启动选择开关
SW9设有5位启动选择开关,电路图如下:
Micro SD卡接口
开发板带有2路SDIO接口,其中MMC/SD1被复用做LCD接口,另外一路MMC/SD0用作Micro SD卡接口,板上接口为CON12,该接口可以支持SDHC,也就是高速大容量Micro SD卡。
本文来自互联网用户投稿,文章观点仅代表作者本人,不代表本站立场,不承担相关法律责任。如若转载,请注明出处。 如若内容造成侵权/违法违规/事实不符,请点击【内容举报】进行投诉反馈!
