STM32F103VET6 MXCube STeWin (触摸屏移植) 一
最近有个项目需要用到2.8寸 240 *320的触摸屏:在硬件原理未确认之前,先在开发板上调试
LCD屏幕: 驱动IC ST7789 8/16位并口屏 (此处因考虑到GPIO资源限制我们把IM0接GND,选用8位)
TP:触摸驱动IC :FT6336
对于相关引脚定义如下:

打开MXcube,新键一个工程:配置基本的RCC/SYS/USART

这个Debug一定要使能,不然调试功能可能会有问题

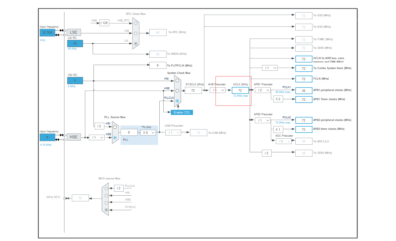
时钟配置,这里我们选择72M

接下来,我们重点配置一下 GPIO,这里因为考虑到数据位为 8位数据脚,为了方便,最好分配一组GPIO,用寄存器操作来写入数据,这样会方便 (这里我们分配 PE组 0 --- 7号引脚作为引脚分配:)


资源链接:
stm32vet6MXCubest7789TF6336U驱动以及STemWinGui移植(中文汉字显示)-嵌入式文档类资源-CSDN下载

本文来自互联网用户投稿,文章观点仅代表作者本人,不代表本站立场,不承担相关法律责任。如若转载,请注明出处。 如若内容造成侵权/违法违规/事实不符,请点击【内容举报】进行投诉反馈!
