网络变压器国产替代:国家安可计划与PULSE网络变压器产品国产化替代成果
Hqst盈盛(华强盛)电子导读:上一节给大家分享了:国家安可计划与PULSE网络变压器产品国产化替代在生产行业的行动,这节将和大家一起了解国家安可计划与PULSE网络变压器产品国产化替代成果。
一﹑响应国家安可计划,网络变压器的国产替代呈现稳定上升趋势
2021-2025年,是国产安可替代的第四期,网络变压器生产企业的行动也在紧锣密鼓的行动,行业中也涌现出了一批优秀的国内厂商,瞄准网络变压器产品国际大品牌Pulse网络变压器产品的全面国产化替代,有些企业在给相关国际化大企业的代工中不但学习了相关产品的生产制造,还吸收引入了相关的质量管控与企业管理中的先进经验,国内有很多网络变压器生产企业已经取了相当可观的成果,如铭普、PPT、盈盛、美信、攸特等等众多的网络变压器生产企业。
网络变压器接法

Pulse国产替代SMD型(贴片型)万兆网络变压器型号: G82418S (对应Pulse产品型号为:H7108NL)。
二﹑Pulse网络变压器产品国产化替代成果
为方便有需求的企业了解市场Pulse网络变压器产品国产化替代,整理了一份常用Pulse网络变压器产品国产化替代替代关系对照表,仅供参考:
| 序号 | 盈盛料号 | 产 品 分 类 | 备 注 | |||||||
| 普思料号 | 常温型(商业级) | 普思料号 | 常规宽温型(工业级) | 普思料号 | 万兆常温型(商业级) | 普思料号 | 万兆宽温型(工业级) | |||
| 1 | H80803S | H6505NL | V |
|
|
|
|
|
|
|
| 2 | H81601S | H1102NL | V |
|
|
|
|
|
| 常规款 |
| 3 | HX81601S |
|
| HX1188NL | V |
|
|
|
|
|
| 4 | H81606S | H2019NL | V |
|
|
|
|
|
|
|
| 5 | H81606SP | H2019NL | V |
|
|
|
|
|
| 带POE |
| 6 | HX81606SP |
|
| HX2019NL | V |
|
|
|
| 带POE |
| 7 | H81613S | H0013NL | V |
|
|
|
|
|
|
|
| 8 | HX81668S |
|
| HX0068ANL | V |
|
|
|
|
|
| 9 | H81621S | H1102NL | V |
|
|
|
|
|
| 超薄款 |
| 10 | H82401S | H5008NL | V |
|
|
|
|
|
| |
| 11 | HX82401S |
|
| HX5008NL | V |
|
|
|
|
|
| 12 | H82404S |
|
| HX5181NL | V |
|
|
|
|
|
| 13 | HX82404S |
|
| HX5181NL | V |
|
|
|
|
|
| 14 | H82405S | H6062NL | V |
|
|
|
|
|
|
|
| 15 | H82407S | H5004NL | V |
|
|
|
|
|
|
|
| 16 | H82408S | H5007NL | V |
|
|
|
|
|
|
|
| 17 | H82409S | H5084NL | V |
|
|
|
|
|
|
|
| 18 | HM82409S | H5120NL | V |
|
|
|
|
|
| MODING款 |
| 19 | HX82409S |
|
| HX5084NLT | V |
|
|
|
|
|
| 20 | H82410S | H2009NL | V |
|
|
|
|
|
|
|
| 21 | H82411S | H5009NL | V |
|
|
|
|
|
|
|
| 22 | H82416S | HA2009NL | V |
|
|
|
|
|
|
|
| 23 | H82419S |
|
| HX1305NL | V |
|
|
|
|
|
| 24 | H84001S | H1164NL | V |
|
|
|
|
|
|
|
| 25 | H84801S | H5014NL | V |
|
|
|
|
|
|
|
| 26 | HX84801S |
|
| HX5014NL |
|
|
|
|
|
|
| 27 | H84803S | H6080NL | V |
|
|
|
|
|
|
|
| 28 | H84803SP | H6080NL-2 | V |
|
|
|
|
|
| 带POE |
| 29 | H85001S | H5020NL | V |
|
|
|
|
|
|
|
| 30 | HX85001S |
|
| HX5020NL | V |
|
|
|
|
|
| 31 | G82408S |
|
|
|
| H7008NL | V |
|
|
|
| 32 | G82418S |
|
|
|
| H7108NL | V |
|
|
|
新的替代型号持续开发中,后续会不断退出更新,敬请关注!
以上是我们对国家安可计划与Pulse网络变压器产品国产化替代情况的一些了解,分享给大家,希望对想更多了解Pulse网络变压器国产化替代产品的人带来一定帮助,谢谢!
接下来石门盈盛电子工程技术还将继续给大家分享网络变压器和与之相关的RJ45 网络连接器的有关知识,方便大家更多认识网络变压器和RJ系列网口产品,不足之处欢迎讨论;
想了解更多Pulse网络变压器国产化替代产品的朋友,请继续关注!
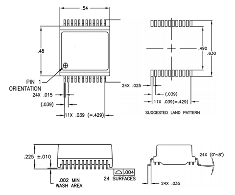
现在带你详细了解24P 10G Pulse网络变压器产品国产化替代型号 G82418S,(同款Pulse网络变压器产品型号:H7108NL)

Pulse国产替代SMD型(贴片型) 24P万兆 双口网络变压器型号: G82418S(对应Pulse产品型号为:H7108NL)。
以下是网络变压器生产工厂石门盈盛(华强盛)电子提供的Pulse国产替代SMD型(贴片型)24P万兆 双口网络变压器型号: G82418S(对应Pulse产品型号为:H7108NL)

Pulse国产替代SMD型(贴片型) 24P万兆 双口网络变压器型号: G82418S(对应Pulse产品型号为:H7108NL)
网络变压器生产工厂石门盈盛(华强盛)电子提供的带网络变压器型号: Pulse国产替代SMD型(贴片型)24P万兆 双口网络变压器型号: G82418S(对应Pulse产品型号为:H7108NL) 相关参数如后:


24P万兆 双口网络变压器G82409S的脚位图

24P万兆 双口网络变压器G82409S的Layout

本文来自互联网用户投稿,文章观点仅代表作者本人,不代表本站立场,不承担相关法律责任。如若转载,请注明出处。 如若内容造成侵权/违法违规/事实不符,请点击【内容举报】进行投诉反馈!
