基于闭环矢量法的四连杆运动学分析
基于闭环矢量法的四连杆运动学分析

在用矢量法建立机构的位置方程时,需将构件用矢量来表示,并做出机构的封闭矢量多边形。如图1所示,先建立一个直角坐标系。假设各构件的长度分别为L1 、L2 、L3 、L4 ,其方位角为θ1,θ2,θ3,θ4。四杆矢量组成一个封闭矢量多边形,即ABCDA。矢量之和必等于零。即:

一个特定的四杆机构,其各构件的长度和原动件2的运动规律,即θ2,为已知,而θ1=0,故由此矢量方程可求得未知方位角θ3,θ4。


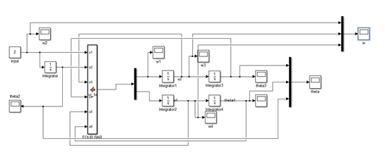
如图3.4.2为四连杆机构的仿真模型。
四连杆结构的仿真程序:
function y = four_bar(u1,u2,u3,u4,u5,u6)
r2= 4; r3 = 10; r4 = 7;
A = [-r3sin(u4),r4sin(u6);
-r3cos(u4),r4cos(u6)];
B = [u12*r2*cos(u2)+u32r3cos(u4)-u52*r4*cos(u6);u12r2sin(u2)+u32*r3*sin(u4)-u52r4sin(u6)];
y = pinv(A)*B;
仿真结果:
如图3.4.3所示,其中,输入曲柄的转速为2,黄色的线为L2的转速曲线,是一条值为2的水平线,红色的线为L3的转速曲线,蓝色的线为L4的转速曲线。

图3.4.3 四杆机构的转速仿真结果
如图3.4.4所示,其中,为θ1,θ2,θ3,θ4输入曲柄的转速为2,黄色的线为θ2的转角变化曲线,是一条斜率为2的斜线,红色的线为θ3的转角变化曲线,蓝色的线为θ4的转角变化曲线。

.4 四杆机构的转角仿真结果
本文来自互联网用户投稿,文章观点仅代表作者本人,不代表本站立场,不承担相关法律责任。如若转载,请注明出处。 如若内容造成侵权/违法违规/事实不符,请点击【内容举报】进行投诉反馈!
