STM32学习笔记—I2C通信
1、I2C介绍
2、I2C通讯过程介绍
3、函数配置
4、代码
1、I2C介绍
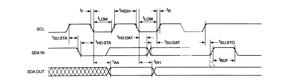
i2c总线是nxp公司(philp公司)开发的两线式串行总线,用于连接微控制器及外围设备。它是由数据线SDA和时钟线SCL构成,我们平常使用还会加上一个供电即vcc和gnd,外设可能还会有一些其他接口比如写保护、还有地址线(用于选择挂在i2c总线上的特定设备,通常i2c总线上会挂载很多外围设,怎么选择相应的设备就需要这个地址线来确定)i2c是同步的半双工通信协议(区分是异步还是同步主要看有没有时钟信号线,区分是全双工还是半双工主要看是有专门的发送和接收数据线,这里i2c有时钟信号线和一条数据线,所以是同步的半双工的协议),i2c有好几种传输速率,一般模式传输速率为100kb/s,高速的i2c的传输速率可以达到400kb/s.i2c的信号有三种类型的信号,分别是开始信号、结束信号、应答信号。
开始信号是是scl为高电平的期间,sda由高电平向低电平跳变。
结束信号是scl信号是高电平期间,sda由低电平向高电平跳变。
应答信号是cpu接收到一个字节的信号时,外设会释放总线的控制权,从而cpu会产生一个应答信号,外设接收到应答信号之后会继续发送下一个字节的数据,如果外设没有接收到应答信号或者接收到的非应答信号,那么外设会停止发送数据。应答信号是在SCL变成高电平之前就将SDA置为低电平,然后我们将SCL变成高电平,在此期间保持SDA为低电平,最后再将SCL电平拉低。如果此过程中SDA信号始终是高电平,那么产生的就是非应答信号。
2、I2C通讯过程介绍

这边以操作eeprom24c02来举例分别说明写时序和读时序
写时序:首先cpu会产生一个起始信号,然后cpu的下一个字节就的前七位就是我们选择操作的外设地址(一般为7位,也有10位)第八位就是我们需要对外设进行的操作(0表示写操作,1表示读操作),然后等待外设的应答信号,收到设备的应答信号之后,cpu开始发送数据给外设,每发送一个数据,外设都要产生一个应答信号,最后一个字节传输结束后,产生一个结束信号。
读时序:首先cpu会产生一个起始信号,然后cpu发送的下一个字节的前七位就是我们选择操作的外设的地址,第八位就是我们的读操作位0,然后等待外设的应答信号,收到设备的应答信号后,会再次产生一个起始信号,发送的第一个字节就是外设寄存器的偏移地址(意思是我要读取你外设上的哪一个区域的信息)同样的,每收到一个字节,cpu都会产生一个应答信号。直到最后读取结束,外设会产生一个终止信号。
3、函数配置
这里我们的函数配置,实际是模拟i2c,意思是整个i2c的时序都是通过软件拉高拉低电平来实现的(硬件i2c是与模拟i2c不同的,硬件i2c是我们需要产生一个起始信号,我们只需要发送这个命令给硬件,硬件自动产生一个起始信号,就不需要对我们的i2c时序这么清楚,但是模拟i2c就需要对i2c的时序很清楚才能够进行配置)
1、初始化io口,这里选取PB6为SCL,PB7为SDA。将IO口的工作模式配置为推挽输出,其他没什么需要注意的。
2、起始信号(SCL信号为高电平期间,SDA从高电平变成低电平)
3、终止信号(SCL信号为高电平期间,SDA从低电平到高电平)
4、等待应答信号(因为应答信号是低电平,所以在等待应答信号的时候,我们先将SCL、SDA信号拉高,然后再读取SDA上的信号,如果接收到SDA是低电平,那么认为接收到了应答信号,就将SCL信号拉低,读取应答信号结束。如果读取到的SDA的信号是高电平,那么我们认为收到的是非应答信号,定义一个变量,稍微计时一下,如果到最后都没有收到应答信号,那么就认为没有收到应答信号,I2C通信终止)

5、产生应答信号(在SCL信号拉高之前,将SDA信号拉低,然后在SCL信号高电平期间,SDA信号始终为低电平,最后将SCL信号拉低,应答信号结束)
6、发送一个字节(在SCL拉高之前就必须将信息准备好,然后拉高SCL,开始发送,在发送的时候需要注意只有在SCL信号高电平的期间,我们才认为发送的信息是有效的。比如我们发送的一个位是1,下一个位是0,我们需要在SDA信号切换之前,就将SCL信号拉低,然后对SDA信号进行变换,变换结束之后,我们再将SCL信号拉高进行传输)

这里的流程是先将SCL拉低(数据还没准备好),然后将最高位与1与,将所得数据右移7位,数据准备好后,拉高SCL,发送数据。然后将数据左移一位继续操作,重复八次,就将所有的8位数据全部读取。
7、接收一个字节,这里的流程是我接收到一位之后,第一位是最高位,我将这一位左移一次,然后重复八次,就完成了一个字节的接收,完成一次接收之后,我需要发送一个应答信号给外设,告诉外设我已经接收到了一个字节,外设收到应答信号之后才会开始下一字节的发送。
8、这里我么操作的2401的地址根据所给电路可以得出,这里我们的A0、A1、A2 连接的是低电平,就是我们所谓的地址1011 000 1,这个地址有七位,前面四位是固定的,后面三位就是这三位决定的,第八位就是我们之前说的操作,是写操作还是读操作这位决定,所以我们的操作地址就是固定的为0XA0(写)和0XA1(读)。

这里在我看在正点原子的代码里看到两句代码,这边解释下,也方面日后自己理解
在myiic.h中它有两句宏定义的代码
#define SDA_IN() {GPIOB->CRL&=0X0FFFFFFF;GPIOB->CRL|=(u32)8<<28;}
#define SDA_OUT() {GPIOB->CRL&=0X0FFFFFFF;GPIOB->CRL|=(u32)3<<28;}
这两句话我找资料理解了一下,这边它操作的是CRL寄存器,CRL寄存器是对A-G的IO口的低八位的模式进行操作,CRH寄存器是对高八位进行操作,第一行代码就是将SDA配置为上拉输入\下拉输入。第二句代码就是将SDA配置为推挽输出,这边鉴于自己学习不够深,具体的寄存器如何配置的不做赘述,具体可以去搜索下。
4、代码
i2c
#include "myiic.h"
#include "delay.h"
void IIC_Init(void)
{ GPIO_InitTypeDef GPIO_InitStructure;RCC_APB2PeriphClockCmd( RCC_APB2Periph_GPIOB, ENABLE ); //使能GPIOB时钟GPIO_InitStructure.GPIO_Pin = GPIO_Pin_6|GPIO_Pin_7;GPIO_InitStructure.GPIO_Mode = GPIO_Mode_Out_PP ; //推挽输出GPIO_InitStructure.GPIO_Speed = GPIO_Speed_50MHz;GPIO_Init(GPIOB, &GPIO_InitStructure);GPIO_SetBits(GPIOB,GPIO_Pin_6|GPIO_Pin_7); //PB6,PB7 输出高
}
//产生IIC起始信号
void IIC_Start(void)
{SDA_OUT(); //sda线输出IIC_SDA=1; IIC_SCL=1;delay_us(4);IIC_SDA=0;//START:when CLK is high,DATA change form high to low delay_us(4);IIC_SCL=0;//钳住I2C总线,准备发送或接收数据
}
//产生IIC停止信号
void IIC_Stop(void)
{SDA_OUT();//sda线输出IIC_SCL=0;IIC_SDA=0;//STOP:when CLK is high DATA change form low to highdelay_us(4);IIC_SCL=1; IIC_SDA=1;//发送I2C总线结束信号delay_us(4);
}
//等待应答信号到来
//返回值:1,接收应答失败
// 0,接收应答成功
u8 IIC_Wait_Ack(void)
{u8 ucErrTime=0;SDA_IN(); //SDA设置为输入 IIC_SDA=1;delay_us(1); IIC_SCL=1;delay_us(1); while(READ_SDA){ucErrTime++;if(ucErrTime>250){IIC_Stop();return 1;}}IIC_SCL=0;//时钟输出0 return 0;
}
//产生ACK应答
void IIC_Ack(void)
{IIC_SCL=0;SDA_OUT();IIC_SDA=0;delay_us(2);IIC_SCL=1;delay_us(2);IIC_SCL=0;
}
//不产生ACK应答
void IIC_NAck(void)
{IIC_SCL=0;SDA_OUT();IIC_SDA=1;delay_us(2);IIC_SCL=1;delay_us(2);IIC_SCL=0;
}
//IIC发送一个字节
//返回从机有无应答
//1,有应答
//0,无应答
void IIC_Send_Byte(u8 txd)
{ u8 t; SDA_OUT(); IIC_SCL=0;//拉低时钟开始数据传输for(t=0;t<8;t++){ IIC_SDA=(txd&0x80)>>7;txd<<=1; delay_us(2); //对TEA5767这三个延时都是必须的IIC_SCL=1;delay_us(2); IIC_SCL=0; delay_us(2);}
}
//读1个字节,ack=1时,发送ACK,ack=0,发送nACK
u8 IIC_Read_Byte(unsigned char ack)
{unsigned char i,receive=0;SDA_IN();//SDA设置为输入for(i=0;i<8;i++ ){IIC_SCL=0; delay_us(2);IIC_SCL=1;receive<<=1;if(READ_SDA)receive++; delay_us(1); } if (!ack)IIC_NAck();//发送nACKelseIIC_Ack(); //发送ACK return receive;
}
24c01
#include "24cxx.h"
#include "delay.h"
void AT24CXX_Init(void)
{IIC_Init();
}
//在AT24CXX指定地址读出一个数据
//ReadAddr:开始读数的地址
//返回值 :读到的数据
u8 AT24CXX_ReadOneByte(u16 ReadAddr)
{ u8 temp=0; IIC_Start(); if(EE_TYPE>AT24C16){IIC_Send_Byte(0XA0); //发送写命令IIC_Wait_Ack();IIC_Send_Byte(ReadAddr>>8);//发送高地址IIC_Wait_Ack(); }else IIC_Send_Byte(0XA0+((ReadAddr/256)<<1)); //发送器件地址0XA0,写数据 IIC_Wait_Ack(); IIC_Send_Byte(ReadAddr%256); //发送低地址IIC_Wait_Ack(); IIC_Start(); IIC_Send_Byte(0XA1); //进入接收模式 IIC_Wait_Ack(); temp=IIC_Read_Byte(0); IIC_Stop();//产生一个停止条件 return temp;
}
//在AT24CXX指定地址写入一个数据
//WriteAddr :写入数据的目的地址
//DataToWrite:要写入的数据
void AT24CXX_WriteOneByte(u16 WriteAddr,u8 DataToWrite)
{ IIC_Start(); if(EE_TYPE>AT24C16){IIC_Send_Byte(0XA0); //发送写命令IIC_Wait_Ack();IIC_Send_Byte(WriteAddr>>8);//发送高地址}else{IIC_Send_Byte(0XA0+((WriteAddr/256)<<1)); //发送器件地址0XA0,写数据 } IIC_Wait_Ack(); IIC_Send_Byte(WriteAddr%256); //发送低地址IIC_Wait_Ack(); IIC_Send_Byte(DataToWrite); //发送字节 IIC_Wait_Ack(); IIC_Stop();//产生一个停止条件 delay_ms(10);
}
//在AT24CXX里面的指定地址开始写入长度为Len的数据
//该函数用于写入16bit或者32bit的数据.
//WriteAddr :开始写入的地址
//DataToWrite:数据数组首地址
//Len :要写入数据的长度2,4
void AT24CXX_WriteLenByte(u16 WriteAddr,u32 DataToWrite,u8 Len)
{ u8 t;for(t=0;t>(8*t))&0xff);}
}//在AT24CXX里面的指定地址开始读出长度为Len的数据
//该函数用于读出16bit或者32bit的数据.
//ReadAddr :开始读出的地址
//返回值 :数据
//Len :要读出数据的长度2,4
u32 AT24CXX_ReadLenByte(u16 ReadAddr,u8 Len)
{ u8 t;u32 temp=0;for(t=0;t
本文来自互联网用户投稿,文章观点仅代表作者本人,不代表本站立场,不承担相关法律责任。如若转载,请注明出处。 如若内容造成侵权/违法违规/事实不符,请点击【内容举报】进行投诉反馈!
