DCDC降压芯片XL2596
前言
本篇文章将全面讲解XL2596,并介绍典型应用电路,资料来源均为技术手册。
目录
前言
一、XL2596芯片介绍
二、XL2596S芯片特点
三、XL2596S芯片封装
四、XL2596S芯片引脚说明
五、XL2596S芯片电路原理图
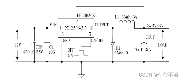
1.典型应用电路12V-3.3V/3A
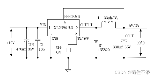
2.典型应用电路12V-5V/3A
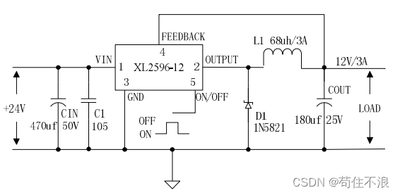
3.典型应用电路24V-12V/3A
4.典型应用电路ADJ
六、面对不同负载、输入电压、厂家时,电容、电感推荐取值
1.固定输出
2.可调输出
七、不同电流、电压时,肖特基二极管推荐使用型号
一、XL2596芯片介绍
XL2596是DCDC降压芯片,运用在电源电路中,输出电压可选3.3V、5V、12V、ADJ(可调),最大可输出电流为3A。

XL2596-3.3V实物图(来源立创)

XL2596-5V实物图(来源立创)

XL2596-12V内部结构

XL2596-ADJ内部结构

XL2596内部结构
二、XL2596S芯片特点
- 最小输入电压为4.5V,最大输入电压为40V
- 输出版本可选择3.3V、5V、12V、可调(ADJ)版本
- 最小输出可调电压为1.23V,最大输出可调电压为37V
- 最大占空比100%
- 最小压降1.5V
- 固定开关频率150KHz
- 恒定3A输出电流
- 内部优化功率晶体管
- 高效率
- 出色线路与负载调节
- TTL关断能力
- 具有滞后功能的ON/OFF引脚
- 内置热关断功能
- 内置限流功能
- 内置第二限流功能
- 可提供TO-220、TO-263封装
XL2596是一个150kHz固定频率PWM降压(降压)DC/DC变换器,能够驱动3A负载的高效率,低纹波和优良的线路和负荷调节。该调节器要求最小数量的外部部件,使用简单,包括内部频率补偿和固定频率振荡器。
PWM控制电路能够在0到100%之间线性地调节占空比。内置使能功能、过流保护功能。当第二电流限制功能发生时,工作频率将从150KHz降低到50KHZ。内置一个内部补偿块,以最小化外部元件计数。
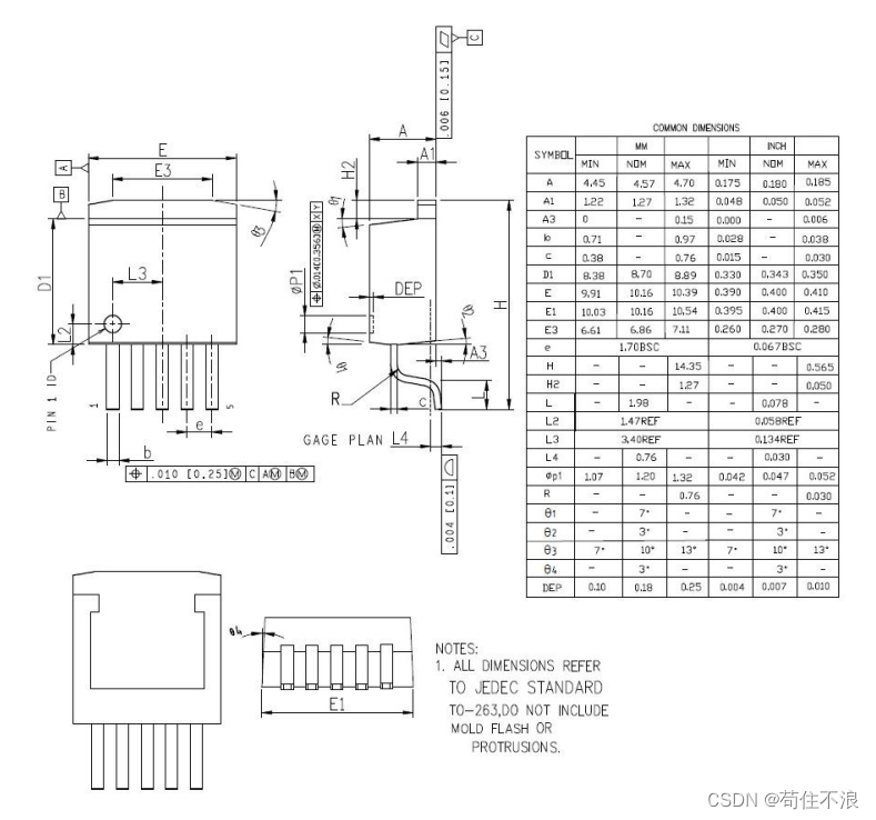
三、XL2596S芯片封装



四、XL2596S芯片引脚说明

| 引脚数 | 引脚名称 | 描述 |
| 1 | VIN | 电源电压输入引脚。XL2596工作在45V至40V直流电压。用个适当大的电容器将Vin旁路到GND,以消除输入端的噪声。 |
| 2 | OUTPUT | 电源开关输出引脚(SW)。输出是为输出提供电源的开关节点。 |
| 3 | GND | 接地引脚。布局必须小心。该引脚应放在外面的肖特基二极管输出电容接地路径,以防止开关电流尖峰诱导到XL2596电压噪声。 |
| 4 | FEEDBACK | 反馈引脚(FB)通过一个外部电阻分压器网络,反馈传感器的输出电压和调节它。反馈闻值电压为1.23V。 |
| 5 | ON/OFF | 启用引脚。驱动器开/OFF引脚低以打开设备,驱动器高以关闭设备。 浮动是默认的低。 |
注:Metal Tab GND需要接地,并在PCB绘制时注意GND宽度,需要注意电源完整性。
五、XL2596S芯片电路原理图
1.典型应用电路12V-3.3V/3A

2.典型应用电路12V-5V/3A

3.典型应用电路24V-12V/3A

4.典型应用电路ADJ

选择R1大约为1K,使用1%电阻以获得最佳稳定性。
C1和CFF是可选的;为了提高稳定性和降低输入电源线噪声,CIN和C1必须放置在Pin1和Pin3附近;
对于输出电压大于约10V时,一个额外的电容CFF是必需的。补偿电容通常在100pf和33nf之间,并与输出电压设置电阻R2并联。它为高输出电压,低输入输出电压,和/或非常低的ESR输出电容器,如固体坦电容器提供额外的稳定性。CFF=1/(31*1000*R2);该电容器类型可以是陶瓷、塑料、银云母等(因为Z5U材料制成的陶瓷电容器的不稳定特性,不推荐使用)
六、面对不同负载、输入电压、厂家时,电容、电感推荐取值
1.固定输出

2.可调输出

七、不同电流、电压时,肖特基二极管推荐使用型号

本文来自互联网用户投稿,文章观点仅代表作者本人,不代表本站立场,不承担相关法律责任。如若转载,请注明出处。 如若内容造成侵权/违法违规/事实不符,请点击【内容举报】进行投诉反馈!
