6585-2013 阴极射线示波器通用规范 思维导图
声明
本文是学习GB-T 6585-2013 阴极射线示波器通用规范.pdf而整理的学习笔记,分享出来希望更多人受益,如果存在侵权请及时联系我们
1 范围
本标准规定了阴极射线示波器的术语和定义、分类、要求、试验方法、检验规则、标志、包装、运输、贮
存及随机文件。
本标准适用于测量电量或观察电量的通用阴极射线示波器(以下简称示波器)。
2 规范性引用文件
下列文件对于本文件的应用是必不可少的,凡是注明日期的引用文件,仅注日期的版本适用于本文
件。凡是不注日期的引用文件,其最新版本(包括所有的修改单)适用于本文件。
GB/T 191 包装储运图示标志
GB/T 6587—2012 电子测量仪器通用规范
GB/T 11464 电子测量仪器术语
3 术语和定义
GB/T 11464 中界定的以及下列术语和定义适用于本文件。
3.1
阴极射线管 cathode-ray tube
一个电子束管,其射束可以在平面上聚焦成一个小截面,并且可以改变位置和强度,从而能产生一
个可见的或可以检测的图形。
3.2
阴极射线示波器 cathode-ray oscilloscope
测量或观察用的一种仪器,它用一个或多个电子束的偏转,从而得到表示某变量函数瞬时值的显
示,通常,变量之一是时间。
3.3
垂直(水平)偏转系数 vertical(horizontal)deflection
coefficient
电压与由此电压产生的垂直(水平)偏转的长度之比。
注 **:**偏转系数用单位长度电压表示,并且5 V/div 比 5 mV/div
的偏转系数大,对灵敏度而言,具有系数为5 V/div
的灵敏度比具有系数为5 mV/div 的灵敏度低。
3.4
扩展 expansion
偏转扩大的装置,其通常用于提高放大器增益,使显示的部分加以放大。
3.5
长期漂移 long-term drift
光点在1 h 内的最大偏移。
3.6
短期漂移 short-term drift
在 1 h 总的记录时间内,光点在最不利的1 min 内的最大偏移。
GB/T 6585—2013
3.7
开路噪声 open-circuit noise
通道输入端开路并加以屏蔽时的噪声。
3.8
短路噪声 short-circuit noise
通道放大器输入端短路时的噪声。
3.9
频率响应不平度 frequency resonses
示波器输入不同频率的等幅正弦信号时,在屏幕上所显示的幅度值是随频率变化的,通常以所显示
幅度的最小值与最大值之比来表示。
3.10
频带宽度(带宽) frequency bandwidth
示波器输入不同频率的等幅正弦信号时,屏幕上对应基准频率的显示幅度随频率变化而下跌3
dB
时,其下限到上限频率的范围。
3.11
上升时间 rise time
一个矩形脉冲前沿的电压或电流从稳态幅度A
的10%~90%所经过的时间间隔(见图1),通常以
t, 表示。

图 1
3.12
上 冲 overshoot
屏幕上显示的矩形脉冲信号,前沿部分高于基本幅度平顶的最大值 b
与基本幅度A 的百分比(见
图1),如式(1):
… ……… ……… (1)
式中:
b— 前沿部分高于基本幅度平顶的最大值,单位为格(div);
A—— 基本幅度,单位为格(div)。
3.13
阻尼振荡 ringing
屏幕上显示的矩形脉冲信号,除上冲外,在10t, 时间内的衰减振荡最大幅度c₁
或 c₂ 与基本幅度A 的
百分比(见图1),取二者较大值,见式(2):
GB/T 6585—2013

…………………………
(2)
式中:
ci ( 或c₂)— 除上冲外,在10t, 时间内的衰减振荡最大幅度,单位为格(div);
A —— 基本幅度,单位为格(div)。
3.14
下垂 tilt
屏幕上显示的脉冲信号,平顶部分的倾斜幅度d 与基本幅度A
的百分比(它是对一定的脉冲宽度
而言,见图2),取二者较大值,见式(3):
(3)
式中:
d ( 或d’)—— 平顶部分的倾斜幅度,单位为格(div);
A ( 或A’)—— 基本幅度,单位为格(div)。

图 2
3.15
直流特性 d.c. response
对频率响应从直流开始的示波器,检验放大器直流增益的一致性。当输入直流电平的瞬时到达稳
定状态时,其幅度值的偏移g 或 h 与稳定幅度A 的百分比(见图3),如式(4):

…………………………
(4)
式中:
g ( 或h)— 输入直流电平的瞬时到达稳定状态时幅度值的偏移,单位为格(div);
A —- 稳定幅度,单位为格(div)。

图 3
GB/T 6585—2013
3.16
脉冲顶部不平度(平坦度) pulse top flatness
屏幕上显示的矩形脉冲信号,除上冲外在3 t, 时间内最大起伏幅度△c
与基本幅度A 的百分比(见
图1),如式(5):
式中:

…………………………
(5)
△c—— 除上冲外在3t, 时间内最大起伏幅度,单位为格(div);
A — 基本幅度,单位为格(div)。
注:t、为延迟线的延迟时间。
3.17
位移 positioning
使图像作垂直和水平方向移动的调节装置。
3.18
动态范围 dynamic range
图像失真在规定的范围内,显示幅度的范围。
一般表示为示波器带宽的上限值能够显示到多少
幅度。
3.19
通道隔离度 channel isolation
用于确定示波器任意两通道间相互影响的量,如式(6):
(6)
式中:
K,— 干扰通道的偏转系数,单位为伏每格(V/div);
K₂— 被干扰通道的偏转系数,单位为伏每格(V/div);
A,— 干扰通道的显示幅度,单位为格(div);
A2—— 被干扰通道的显示幅度,单位为格(div)。
3.20
通道延迟时间差 delay time difference between channels
相同信号加于多踪示波器任意两输入端时,它的两个显示波形之间的时间差。
3.21
XY 相位差 phase difference between X and Y
相同相位信号加于具有X-Y
显示的示波器两输入端时的相位差,是与频率有关的量值。
3.22
共模抑制比 common mode rejection ratio
把一
电压加于示波器并接后的两输入端与接地点之间所测得的偏转量与把该电压加于偏转电路的
两个差分输入端之间所测得的偏转量之比。
3.23
延迟线 delay line
延迟被测信号的具有集中或分布参数的传输线。
注:延迟的数值应足够大,以便允许在信号显示之前扫描就已开始,并且增辉。
3.24
视在信号延迟时间 apparent signal delay time
从扫描出现的瞬间到信号轨迹达到基本幅度10%所经过的时间ta (见图1)。
GB/T 6585—2013
3.25
直流平衡 d.c.balance
差分放大器中保持直流电位对称的调节装置。
3.26
连续扫描 free running sweep
周期的连续的扫描(即使在没有信号时)。
注:连续扫描可由外部或内部同步。
3.27
触发扫描 triggered sweep
每一次扫描都是由一个触发脉冲驱动的时基,使每一次扫描的起始点与被显示量的一个预定点相
重合,这样在被显示量是周期量时得到稳定的显示,重复率不一定是周期性的。
注:置这种方式工作时,可选择任何时间系数,它与观察的周期无关。并且不影响显示的稳定性。
3.28
双时基 double time base
由两套扫描所组成的时基。
3.29
时基自动设定 time base auto setting
能将扫描时间系数自动定位到与被测信号周期相适应的偏转档级。
3.30
释 抑 电 路 hold-off circuit
时基电路的一部分,它的作用是:使光点恢复到原有静止位置,而且在电路完全恢复以前,防止重新
被触发扫描。
3.31
扫描时间系数 sweep time coefficient
光点在X 轴方向移动单位长度所需的时间。
注:单位为时间每格。
3.32
增辉 spot unblanking(or bright up)
使光点仅在扫描期间内增加辉度,而在回扫与静止期间被抑制的过程。
3.33
延迟扫描 delaying sweep
在双时基电路中,除能单独运用外,还可用来延迟驱动被延迟扫描的时基电路。
3.34
被延迟扫描 delayed sweep
在延迟扫描工作后,延迟一定时间再开始扫描的时基电路。
3.35
双时基工作状态 double time base operation
延迟扫描和被延迟扫描同时作用的示波器工作状态。
3.36
扫描延迟时间 delayed sweep time
在具有双时基电路的示波器中,延迟扫描和被延迟扫描的两个起始点之间的时间间隔。
3.37
同步 synchronized
重复扫描时,使扫描周期与被观察信号的周期成整数倍关系,从而使每次扫描所显示的波形重合。
GB/T 6585—2013
3.38
触发 triggered
一种扫描的工作方式。每次扫描开始时均对应于被观察信号上预定电平点而获得稳定显示。
注:在触发方式中,内触发脉冲可在正向或负向变化信号的任意电平上产生。
3.39
触发(同步)阈值 triggered(synchronized)threshold
使图像获得稳定显示所需的触发(同步)信号最小数值。
注:通常外触发以电压表示,内触发以Y 轴显示幅度表示。
3.40
触发(同步)频率范围 triggering(synchronization)frequency
range
在规定的触发(同步)阈值值时,可获得稳定显示的频率范围。
3.41
扫描延迟晃动比 fitter ratio of delayed sweep
在采用延迟扫描和被延迟扫描的电路中,表示被延迟扫描的晃动和扫描延迟时间之比。
3.42
基准正弦波 reference sine-wave
失真系数β等于0.05的正弦波,但其峰值与 √2倍有效值之差不超过1%
3.43
检验工作面 measuring area
屏幕上能保证示波器各种性能指标的显示区域。
3.44
基本幅度 basic amplitude
矩形脉冲信号中的一个稳定状态突变到另一个稳定状态的幅度。
3.45
基准档 reference position
额定带宽的最小偏转系数档(微调置于校准位置)。
3.46
脉冲持续时间 pulse duration
脉冲信号基本幅度50%处的前沿与后沿上两点间的时间间隔。
3.47
矩形脉冲 rectangulay pulse
具有轮廓近似为矩形,其上升和下降时间远小于脉冲持续时间的波形。
3.48
基准脉冲 reference pulse
其上升时间为待测电路t,的函数的矩形脉冲。
3.49
中基准脉冲 medium reference pulse
持续时间为10t,~25t,上升时间为0.1t,~0.25t,幅度最大误差不超过士5%的基准脉冲。
3.50
长基准脉冲 long reference pulse
持续时间从25t,到任意特殊试验所需的时间,上升时间为0.1t,~2.5t,顶(底)部电平的最大偏离
GB/T 6585—2013
不超过设定值±0.5%的基准脉冲。
3.51
探极校准信号 probe calibration signal
用于校准探极补偿,定性观测示波器工作是否正常的信号。
3.52
偏转系数误差 relative error of a deflection
coefficient
示波器偏转系数所给出的误差极限。
3.53
时间系数误差 relative error of a time
coefficient
示波器时间系数所给出的误差极限。
3.54
幅度线性误差 amplitude linearity error
在检验工作面内,对输入电压幅度变化的相对误差。
3.55
位移线性误差 shift linearity error
在检验工作面内,由于图像位置的变化而引起的幅度变化的相对误差。
3.56
扫描线性误差 sweep linearity error
在检验工作面的80%内,所测得的扫描时间系数平均值,与两边缘10%区域内任一端所测得的扫
描时间系数平均值所产生的相对误差,取较大值。
4 分类
4.1 品种分类
通用示波器:借助于刻度或校准的开关位置对波形参数进行测量的示波器。
CRT
读出示波器:借助于光标对显示波形参数进行测量并以数字量直接在示波管屏上显示测量结
果的示波器。
4.2 结构分类
按GB/T 6587—2012 中3 .4 或3 .
5,在产品标准中标明台式或便携式,如结构分类超出
GB/T 6587—2012中3.4或3.5,应在产品标准中给出。
4.3 使用电源分类
使用电源可分为直流、交流、交直流,应在产品标准中给出电源种类和要求。
5 要求
5.1 一般要求
5.1.1 外观与结构
由产品标准规定示波器的外观与结构。
5.1.2 尺寸和重量
由产品标准规定示波器的最大尺寸和最大重量。
GB/T 6585—2013
5.1.3 电源
5.1.3.1 电源适应性
应按GB/T 6587—2012 中4.10的规定,给出电源适应性要求。
5.1.3.2 功率
应给出在额定工作条件下消耗的最大功率(W) 或视在功率(VA) 值。
5.2 功能
由产品标准规定示波器测量、显示(指示)、控制等功能要求。
5.3 性能特性
5.3.1 垂直(Y 轴)系统
5.3.1.1 输入阻抗
应给出输入电阻和输入电容数值,有需要时,也可给出带宽上限值时的高频输入阻抗。除非另有规
定,输入电阻值优先采用1 MQ
和50Ω,并以相对数值表示其误差。输入电容值以绝对数值给出其
误差。
5.3.1.2 最大输入电压
应给出最大输入电压的数值, 一般采用DC+ACk、ACp-p 或 VRMs、±V(DC+AC),
及其对应的频
率值,必要时也可以给出最大输入电压数值与对应输入频率值间关系曲线。
5.3.1.3 偏转系数
5.3.1.3.1 偏转系数范围与档级
应给出范围与档级数值,档级步进应优先采用1、2、5进制数列。
5.3.1.3.2 误 差
应给出误差值,通常以范围或档级值的相对数值给出。
5.3.1.3.3 微调比
如有此装置,应给出比值并保证档级覆盖。
5.3.1.3.4 扩展
如有此装置,应给出扩展倍率值与倍率误差值。
5.3.1.3.5 幅度线性误差
有需要时,应给出幅度线性误差值。
5.3.1.4 位移
5.3.1.4.1 位移范围
应给出位移范围数值,通常以格(div)或伏(V) 为单位表示。
GB/T 6585—2013
5.3.1.4.2 位移线性误差
应给出位移性线误差数值,通常以百分比(%)表示。
5.3.1.4.3 高频动态范围
带宽大于100 MHz 的示波器,应给出高频动态范围数值,通常以格(div)
为单位表示。
5.3.1.5 频带宽度与频率响应不平度
应给出各种输入耦合方式时的频带宽度。有需要时,应给出所有与偏转档级对应的频带宽度,多踪
示波器产品有需要时可给出各种工作方式下的频带宽度;观察示波器允许仅给出频率响应不平度,其值
应不超过3 dB。
5.3.1.6 瞬态响应
5.3.1.6.1 上升时间
应给出与偏转档级对应的数值,如式(7):
………………………… (7)
式 中 :
t,—— 上升时间,单位为纳秒(ns);
B—— 示波器产品频带宽度上限值,单位为兆赫兹(MHz)。
5.3.1.6.2 上 冲
应给出与偏转档级对应的数值。
5.3.1.6.3 阻 尼
有需要时,应给出与偏转档级对应的数值。
5.3.1.6.4 脉冲顶部不平度
有需要时,应给出与偏转档级对应的数值。
5.3.1.6.5 下 垂
有需要时,应给出与偏转档级对应的数值。
5.3.1.6.6 直流特性
有需要时,应给出其数值。
5.3.1.7 视在信号延迟时间
当具有延迟线装置时,应给出视在信号延迟时间值。
5.3.1.8 通道延迟时间差
频带宽度在30 MHz 以上的多踪示波器,有需要时,应给出通道延迟时间差。
5.3.1.9 漂 移
应给出长期漂移数值,当偏转系数小于2 mV/div
时,应给出短期漂移数值,通常以"格"表示。
GB/T 6585—2013
5.3.1.10 噪声
应给出开路噪声值,高灵敏度示波器还应给出短路噪声值,通常以电压表示。
5.3.1.11 通道隔离度
有需要时,多踪示波器应给出通道隔离度,也可以按频带宽度分段给出不同的比值。
5.3.1.12 共模抑制比
多踪示波器或具有差分信号输入装置的示波器,有需要时,应给出其共模抑制比值及相应的频率
范围。
5.3.2 水平(X 轴)与时基系统
5.3.2.1 外触发(或 X
轴外输入)输入阻抗
应给出其输入电阻和输入电容数值及误差值。
5.3.2.2 外触发(或 X
轴外输入)最大输入电压
应给出最大输入电压值及其相应的频率范围限值。
5.3.2.3 水平(X **轴
如有此装置,应给出其范围和档级值。
5.3.2.4 扫描时基
5.3.2.4.1 扫描时间系数范围与档级
应给出范围与档级值,档级值应优先采用1、2、5步进数列。
5.3.2.4.2 误差
应给出档级误差值。
5.3.2.4.3 微调比
如有此装置,应给出微调比并保证档级值覆盖。
5.3.2.4.4 扩展
如有此装置,应给出扩展倍率值和倍率误差值。
5.3.2.4.5 扫描线性误差
应给出未扩展和扩展的扫描线性误差值。
5.3.2.4.6 连续扫描频率范围
如有此装置,应给出扫描频率范围值。
5.3.2.5 位移范围
应给出水平位移及时基扫描基线位移范围,需要时,应给出位移线性误差值。
GB/T 6585—2013
5.3.2.6 X 轴频带宽度(或 X
轴频率响应)
当具有偏转系数时,应给出与偏转档级对应的频带宽度(或频率响应不平度)值。
5.3.2.7 XY 相位差
具有 XY 显示特性时,应给出相位差不超过3°时的频率范围值。
5.3.2.8 延迟时间范围
如有此装置,应给出延迟时间范围值。
5.3.2.9 延迟时间刻度线性误差
如有此延迟刻度盘装置,应给出延迟时间刻度线性误差值。
5.3.2.10 时基晃动
应给出时基晃动数值,有双时基装置,应给出被延迟扫描延迟晃动比值。
5.3.2.11 时基信号输出
当具有锯齿波、闸门脉冲、被延迟扫描闸门脉冲信号的输出装置时,由产品标准规定电阻负载下的
输出波形、幅度及极性。
5.3.2.12 释抑调节
如有此装置,至少应给出释抑时间调节检查方法,如有需要,应给出释抑时间倍率(或范围)。
5.3.2.13 时基自动设定
如有此装置,应给出时基自动设定适应频率范围值及显示被测信号周期数值。
5.3.3 触发(同步)特性
5.3.3.1 **内触发(同步
应给出能获得稳定显示的内触发(同步)电平控制范围,通常以格(div)表示。
5.3.3.2 **外触发(同步
应给出能获得稳定显示的外触发(同步)电平控制范围,通常以伏(V)
表示。当具有衰减装置时,应
分别给出数值。
5.3.3.3 **内触发(同步
应给出内触发(同步)阈值,通常以格(div)表示。当分频段给出时,应按频段给出对应数值。
5.3.3.4 **外触发(同步
应给出外触发(同步)阈值,通常以伏(V)
表示。当分频段给出时,应按频段给出对应数值。
5.3.3.5 **触发(同步
应给出触发(同步)频率范围数值,内触发(同步)频率范围至少应能达到产品频带宽度要求,可按偏
GB/T 6585—2013
转系数规定的频带宽度要求对应分段给出。
5.3.3.6 **最高触发(同步
有需要时,可在产品标准中给出最高触发(同步)频率数值。
5.3.4 显示系统
5.3.4.1 **图像畸变(几何失真
当具有图像的调整装置时,由产品标准规定:
a) 边缘直线度偏差值;
b) 垂直度偏差值;
c) 水平度偏差值。
5.3.4.2 外调辉(Z **轴
当具有该装置时,由产品标准规定:
a) 输入电阻阻值;
b) 最大输入电压值;
c) 增辉电压范围和极性;
d) 最高调辉频率值。
5.3.5 探极校准信号
如有此装置,应给出信号函数波形名称、幅度值、频率值及其误差值。
5.3.6 探极
当具有探极时,应给出与整机组合工作时下列性能特性:
a) 名称及型号;
b) 输入阻抗及允差;
c) 最大允许输入电压;
d) 衰减比及误差;
e) 上升时间。
5.3.7 光标测量
当产品具备此装置时,应给出:
a) 光标类型或名称;
b) 测量时间间隔(△t)、幅度差(△V) 的准确度值。
5.3.8 频率测量
当产品具备此装置时,应给出:
a) 频率测量范围及灵敏度;
b) 频率测量的误差值,误差值可分频段给出。
5.4 安全性
除非另有规定,安全性应符合GB/T 6587—2012 中4.6的要求。
GB/T 6585—2013
5.5 环境适应性
应符合GB/T 6587—2012 中4.7及表1规定。
5.6 包装及运输
应按GB/T 6587—2012 中4.8规定。
5.7 电磁兼容性
应符合GB/T 6587—2012 中4.9要求规定。
5.8 可靠性
应符合GB/T 6587—2012 中4.11规定。
6 试验方法
6.1 总的试验要求
6.1.1 基准工作条件
除非另有规定,应符合GB/T 6587—2012 中5.1要求。
6.1.2 试验条件
除非另有规定,应符合GB/T 6587—2012
中5.2要求。在进行性能试验时,应保持受试整机处于
完整状态,其附属装置和附件应作为一个整体,在实施工作特性测试时,应在不打开机箱的情况下进行。
6.1.3 检验设备
所使用的试验与检测设备,应在规定的计量周期内。试验用所有检测设备给定的测试误差应不大
于被测示波器规定误差要求的1/3。
6.2 外观与结构
用目视和手感法检查。
6.3 尺寸和重量
用标准长度计量尺和标准称重器具测量。
6.4 电源
6.4.1 电源适应性
按GB/T 6587—2012 中5.12要求进行。
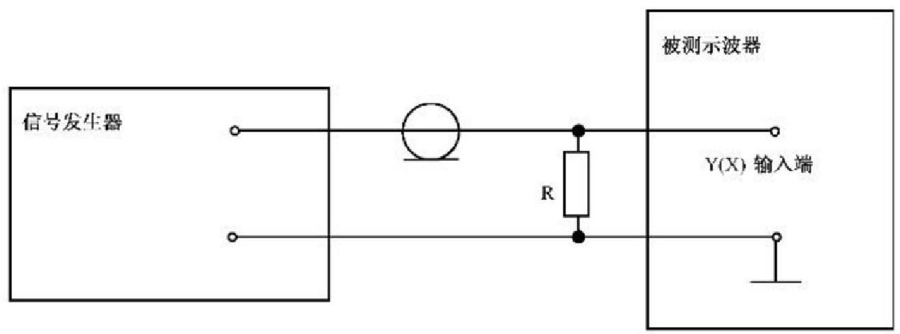
6.4.2 功率
6.4.2.1 测试框图
见图4。
GB/T 6585—2013
额定电源
V
电流表
A
电压表
a)
被测示波器
电源输入端 二

b)
图 4
6.4.2.2 试验方法
视在功率和额定消耗功率测试分别按如下方法进行:
a) 视在功率
按图4a)连接,测出被测示波器在额定电源电压条件下的有效值电流与电压,其视在功率
P 由式
(8)求得:
P=UI ………………………… (8)
式中:
U—— 实测交流电压有效值,单位为伏(V);
I— 实测交流电流有效值,单位为安培(A)。
b) 消耗功率
按图4b)连接,测出被测示波器在额定电源条件下的实测功率。
当示波器的功率消耗与工作状态有明显关系时,应按照产品标准中注明的最大功率状态进行测定。
6.5 功能
接通电源,经规定的预热时间后,按产品标准给定的功能进行逐项检查。
6.6 性能特性
6.6.1 输入阻抗
6.6.1.1 测试框图
见图5。
GB/T 6585—2013
被测示波器
LCR 测试仪
一〇
Y(X) 或外触发输入端
图 5
6.6.1.2 试验方法
测量电阻时应采用电阻表或直流电桥,在各偏转系数档级上测试。
测量电容时应采用电容表交流电桥,测试频率大于或等于1 kHz,
在各偏转系数档级上测试。
高频输入阻抗的测试,应按产品标准中规定的频率要求进行。
被测示波器处于工作状态,分别读取输入端电阻值与电容值。当有误差规定时,其输入电阻误差与
输入电容误差分别由式(9)、式(10)求得:
(9)
C Co (10)
式中:
R— 输入电阻的实测值,单位为欧姆(Ω);
R。——输入电阻的额定值,单位为欧姆(Ω);
C—— 输入电容的实测值,单位为皮法(pF);
Co—— 输入电容的额定值,单位为皮法(pF)。
注 : 本 条 试 验 方 法 适 用 于 外 触 发 ( 或 X 轴 外 输 入 ) 输 入
阻 抗 检 查 。
6.6.2 最大输入电压
6.6.2.1 测试框图
见图6。
被测示波器
S
电压源 o 0
Y(X)或外触发输入端
图 6
GB/T 6585—2013
6.6.2.2 试 验 方 法
被测示波器处于工作状态,输入耦合置"DC",
光迹居中,调节电压源(低频电压源采用直流电压或 50Hz
交流电压,高频电压源采用正弦信号发生器)的输出电压与频率,达到产品标准中规定值后,接通
输入电压,并持续1 min, 断开输入电压,被测示波器仍应工作正常。
注:本条试验方法适用于外触发(或 X 外输入)最大输入电压检查。
6.6.3 偏转系数范围与档级及误差
6.6.3.1 测 试 框 图
见 图 7 。
被测示波器
标准电压发生器
-
Y(X) 输入端
—
图 7
6.6.3.2 试 验 方 法
输入耦合置于"DC","
微调"置校准位置,调节标准电压发生器(在无特殊规定时,标准电压发生器 采
用 1 kHz
方波)输出电压,使显示幅度约为检验工作面高度(或长度)的80%,读取显示高度(或长度)
和相应的标准电压发生器输出电压值 V,
则偏转系数及误差分别由式(11)、式(12)求得,被测示波器应
在各偏转系数档级上进行。
式中:
K。
V


—— 偏转系数的实测值,单位为伏每格(V/div);
标准电压发生器输出电压值,单位为伏(V);
………………………… (11)
………………………… (12)
H。( 或 l)— 偏转的显示高度(或长度),单位为格(div);
GB/T 6585—2013
E — — 偏转系数误差;
Kdo — — 偏转系数的额定值,单位为伏每格(V/div);
Ha ( 或 la)—— 偏转的额定显示高度(或长度),单位为格(div)。
注:本条试验方法适用于水平(X 轴)偏转系数检查。
6.6.4 微调比
6.6.4.1 测试框图
见图7。
6.6.4.2 试验方法
偏转系数置于任意档,"微调"置校准位置,调节标准电压发生器(在无特殊规定时,标准电压发生器
采 用 1 kHz
方波)的输出电压,使显示达到检验工作面高度,然后调节微调从最大到最小位置时,分别
读取显示的最大高度 Hmx 与最小高度 Hm, 则偏转微调比由式(13)求得:
(13)
式 中 :
Hmx— 微调最大显示高度,单位为格(div);
Hmn—— 微调最小显示高度,单位为格(div)。
6.6.5 扩 展
6.6.5.1 测试框图
见图7。
6.6.5.2 试验方法
"倍率"装置置于不扩展,调节标准电压发生器(在无特殊规定时,标准电压发生器采用1
kHz 方
波)输出电压,使显示高度约为检验工作面高度的80%,然后使"倍率"置于扩展档,减小标准电压发生
器的输出电压达到额定倍率的电压要求,读取显示高度 H,
则偏转系数扩展倍率及其误差分别由式
(14)、式(15)求得:
式 中 :


…………………………
…………………………
(14)
(
K ——实测的扩展倍率;
K 。—— 额定的扩展倍率;
H 。—— 未扩展时的显示高度,单位为格(div);
H — 扩展后对缩小 K 。倍信号电压的显示高度,单位为格(div);
E — 扩展倍率误差。
6.6.6 幅度线性误差
6.6.6.1 测试框图
见图8。
GB/T 6585—2013
监视器
被测示波器
信号发生器
三通连接器
-0
R
Y(X) 输入端
图 8
6.6.6.2 试验方法
偏转系数置于规定档(一般为基准档),输入耦合置于"AC",
时间系数置合适档,调节信号发生器输 出电压和频率,使显示波形的幅度a
达到检验工作面高度(长度)的50%,并居中显示,读取此时的电压
值,然后将信号发生器的输出电压增加一倍,读取此时的显示波形的幅度 A,
则幅度线性误差由式(16)
求得 :
式 中 :
A—
—
![]() | ………………………… |
|
|---|
信号发生器输出电压增加一倍时的显示幅度,单位为格(div);
原显示波形的幅度( 一般为检验工作面高度的50%),单位为格(div)。
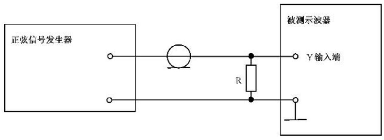
6.6.7 位移范围
6.6.7.1 测试框图
见图9。

图 9
6.6.7.2 试验方法
输入耦合置于"AC", 时间系数置于合适档,信号发生器一般用1 kHz
正弦波。调节信号发生器的
输出电压,达到检验工作面高度,并居中稳定显示。然后调节位移,在波形无明显失真情况下,分别读取
上、下(左、右)两限的最大可移的幅度,即为垂直(Y 轴)、水平(X
轴)或时基扫描基线的位移范围。
GB/T 6585—2013
6.6.8 位移线性误差
6.6.8.1 测试框图
见图9。
6.6.8.2 试验方法
按产品标准中规定的偏转系数及频率范围进行。输入耦合置于"AC",
时间系数置于合适档。信号
发生器输出为正弦波,按规定的频率调节信号发生器的输出电压,使幅度达到检验工作面的50%,并居
中稳定显示。然后调节"位移",使波形的上边(左边)及下边(右边)分别置于检验工作面的上限(左限)
及下限(右限),读测对应的显示高度,其位移线性误差由式(17)求得,取二者较大值。

式中:
b—— 波形上移(左移)后的幅度,单位为格(div);
a—— 波形为检验工作面50%时的幅度,单位为格(div);
c— 波形下移(右移)后的幅度,单位为格(div)。
6.6.9 高频动态范围
6.6.9.1 测试框图
见图10。
脉冲信号发生器
……… ………… (17)
被测示波器
Y 输入端
R
图 1 0
6.6.9.2 试验方法
输入耦合置于"AC",
时间系数置于合适档,脉冲信号发生器输出波形应具有中基准脉冲特性。调
节脉冲信号发生器输出电压,约达到检验工作面高度的80%,居中稳定显示。按图11所示调节位移,
分别读取正、负极性脉冲上冲的变化△d 不超过3%时的位移幅度 A, 与 Ap,
则其动态范围△S 由 式
(18)求得:
△S=A 。+A+A, ………………………… (18)
式中:
△S— 动态范围值,单位为格(div);
A 。—— 波形为检验工作面80%时幅度,单位为格(div);
A,- 波形下移后的幅度,单位为格(div);
A。 —— 波形上移后的幅度,单位为格(div)。


GB/T 6585—2013

a) 正极性脉冲

b) 负极性脉冲
图 1 1
6.6.10 频 带 宽 度 与 频 率 响
应 不 平 度
6.6.10.1 测 试 框 图
见 图 1 2 。
衰
监视器
R
被测示波器
信号发生器
O 功率分配器
Y(X) 输 入 端
-
图 1 2
20
GB/T 6585—2013
6.6.10.2 试验方法
调节信号发生器的输出电压与频率,使基准频率时的显示高度 H。
约为检验工作面的80%,记录
此时电压监视器的指示值,并保持此值不变,分别向上下限改变信号发生器的输出频率,直至显示高度
为0.707H 。时,此时的频率,即为频带宽度实测值。
若仅测试规定的上限频率,读测在规定频率范围内的最小显示高度 Hmm,
按式(19)计算应不低于
—3 dB。
………………………… (19)
若给出的特性是频率响应,读测在规定频率范围内图像稳定显示的最大高度
Hmx, 与最小高度
Hmm,则频率响应不平度由式(20)求得:
式中:

………… …………
(20)
Hmin——规定频率范围内,稳定显示的最小高度,单位为格(div);
H 。— 基准频率时的显示高度,单位为格(div);
Hmx—— 规定频率范围内,稳定显示的最大高度,单位为格(div)。
X 轴频带宽度(或 X 轴频率响应)用上述方法,将高度 H 改为长度l, 其 中l
。一般为检验工作面的
50%,并居中显示。
注:本特性测试时的基准频率,当产品标准中无规定时,对上限频率低于或等于10
MHz 的示波器,其基准频率可 采用1 kHz 或50 kHz, 对上限频率高于10 MHz
的示波器,则可以采用50 kHz 、1 MHz 或10 MHz 三者中任一
个作为基准频率。
6.6.11 瞬态响应
6.6.11.1 测试框图
见图13。
被测示波器
矩形脉冲信号发生器
Y 输入端
R
图 1 3
6.6.11.2 试验方法
输入耦合置"DC",
按给定的要求设置相应偏转系数,时间系数置于合适档。矩形脉冲信号发生器
应具有中基准脉冲输出,并具有极性与电压微调可变装置。调节矩形脉冲信号发生器的输出电压,使显
示高度为检验工作面的80%,并居中稳定显示。按不同测试要求从图14中读取所测特性。
6.6.11.2.1 上升时间
从图14b)、图 1 4d) 中读取显示波形前沿的10%~90%在水平方向的上升时间t,
值 。
GB/T 6585—2013
6.6.11.2.2 上 冲
从图14a)、图 1 4c) 中读取显示波形上升(下降)沿后第
一个垂直方向上的上冲量幅度 b 值,上冲由
式(21)求得。
………………… …… ( 21)
式中:
b— 显示波形中的上冲量,单位为格(div);
A—— 显示波形的基本幅度,单位为格(div)。

a) 未扩展的测试波形(正脉冲)

c) 未扩展的测试波形(负脉冲)

b) 扩展后的测试波形(正脉冲)

d) 扩展后的测试波形(负脉冲)
图 1 4
6.6.11.2.3 阻 尼
从图14a)、图 1 4c) 中,分别读取在10倍 t,
时间范围内,波形中除上冲外最大幅度的正向阻尼量 c
或负向阻尼量 c2, 则其阻尼由式(22)求得,取二者较大值。

式中:
ci—— 正向阻尼量,单位为格(div);
c₂— 负向阻尼量,单位为格(div);
A— 显示波形的基本幅度,单位为格(div)。
……………… ………
( 22)
GB/T 6585—2013
6.6.11.2.4 脉冲顶部不平度
从图14a)、图 1 4c) 中读取显示波形中除上冲外,约3倍 t,
时间范围内的最大起伏量△c, 则其脉冲
顶部不平度由式(23)求得:
………………………… (23)
式中:
△c— 除上冲外在3t, 时间内最大起伏幅度,单位为格(div);
A — 显示波形的基本幅度,单位为格(div)。
6.6.11.2.5 下垂(上斜)
改变时间系数与脉冲持续时间,获得如图15a) 或图15b) 所示波形,从图15a)
中读取显示波形中的
下垂量 d 和d’, 其下垂由式(24)求得,取二者较大值。
式中:
d(d’)——
A(A′)——
![]() | ………………………… |
|
|---|
正向(负向)脉冲下垂量,单位为格(div);
正向(负向)脉冲基本幅度,单位为格(div)。

a) 下 垂 波 形

b) 上 斜 波 形
图 1 5
从图15b) 中读取显示波形中的上斜量 c 和 c’,
其上斜由式(25)求得,取二者较大值。
式中:
c(c’)—
A(A’)—

正向(负向)脉冲上斜量,单位为格(div);
正向(负向)脉冲基本幅度,单位为格(div)。
…………………………
(
当显示脉冲顶部斜率的变化尚未出现或进入近似恒定前,应改变时间系数与脉冲持续时间直至与
图15相似。
GB/T 6585—2013
6.6.11.2.6 直流特性
如图16所示连接,输入耦合置"DC",
使电压源反复“通”、“断”,获得图17所示波形,其直流特性由
式(26)求得,取二者中较大值。
式中:

…………………………
(
h— 直流特性上移的最大幅度,单位为格(div);
A— 显示波形的基本幅度,单位为格(div);
g— 直流特性下移的最大幅度,单位为格(div)。

图 1 6

b) 下 移 特 性
图 1 7
6.6.12 视在信号延迟时间
调节"触发电平",使波形处于视在延迟时间最大的位置,从图14b)、图 1 4d)
中读取扫描起始点至脉
冲前沿的10%在水平方向的延迟时间ta 值。
注:当起始点位置不明显时,允许用增加辉度或其他方法确定该点位置。
6.6.13 通道延迟时间差
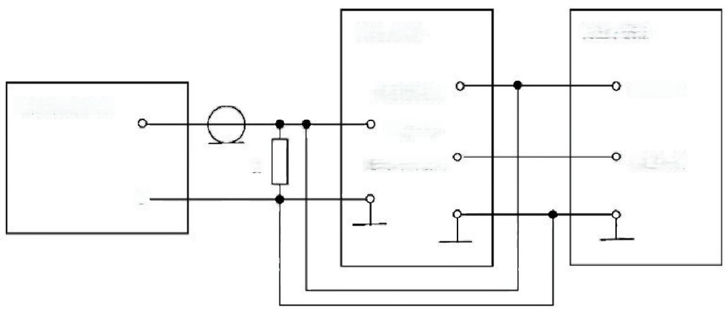
6.6.13.1 测试框图
见图18。
GB/T 6585—2013


图 1 8
6.6.13.2 试 验 方 法
时间系数置于最快档,调节信号发生器的输出电压,达到检验工作面高度,获得图19波形并稳定显
示,从图19中读取两脉冲波形基本幅度50%处的时间差 t.。
注1:三通连接器连接到Yi、Y₂ 输入端的连接线的规格与长度应 一 致。
注2:多于二通道示波器,应在所有通道选择每二通道组合测试,所得测试值t。,取较大值。

图 1 9
6.6.14 漂 移
6.6.14.1 测 试 框 图
见图20。

图 2 0
GB/T 6585—2013
6.6.14.2 试验方法
输入耦合置"接地",经规定的预热时间,将光迹(点)调整至屏幕居中位置后,记录在规定时间内,光
迹(点)随时间在垂直(水平)偏移的位置,并从图21所示的坐标刻度值中读取有关特性。
注:本特性与环境温度突变、电网电压以及预热时间有关,应尽量避免外界的干扰信号,当有异议时,上述测试应在
规定的基准条件下进行。对于多踪示波器的各个通道应分别进行测试。
V/div
图 2 1
6.6.15 噪声
6.6.15.1 测试框图
见图22。

a) 开路噪声
b) 短路噪声
图 2 2
6.6.15.2 试验方法
通道输入端屏蔽(当测定开路噪声时)如图22a)所示,或通道输入端接地(当测定短路噪声时),如
图22b)所示。扫描处于"自激"工作状态,改变扫描时间系数(与偏转系数),读测屏幕所显示的最大高度。
6.6.16 通道隔离度
6.6.16.1 测试框图
见图23。
GB/T 6585—2013

图 2 3
6.6.16.2 试验方法
干扰通道偏转系数置较大档(该档最易使被干扰通道显示干扰),被干扰通道偏转系数置最易受干
扰档级,并将输入端屏蔽,工作方式置多踪显示,时间系数置于合适档,调节信号发生器的输出电压,并
馈入干扰通道,使显示幅度达到检验工作面高度约80%,并居中稳定显示,然后保持信号发生器的输出
电压不变,或按产品标准中所规定的频带宽度范围内改变输出频率(一般以带宽的上限频率作为测试频
率),读测各被干扰通道中最大的显示高度值,此时通道隔离度由式(27)求得:
K₁ ·A;
………………………… (27)
K₂ ·A₂
式 中 :
K₁— 干扰通道档级的偏转系数,单位为伏每格(V/div);
A,— 干扰通道的显示高度,单位为格(div);
K₂—— 被干扰通道档级的偏转系数,单位为伏每格(V/div);
A₂— 被干扰通道中最大的显示高度,单位为格(div)。
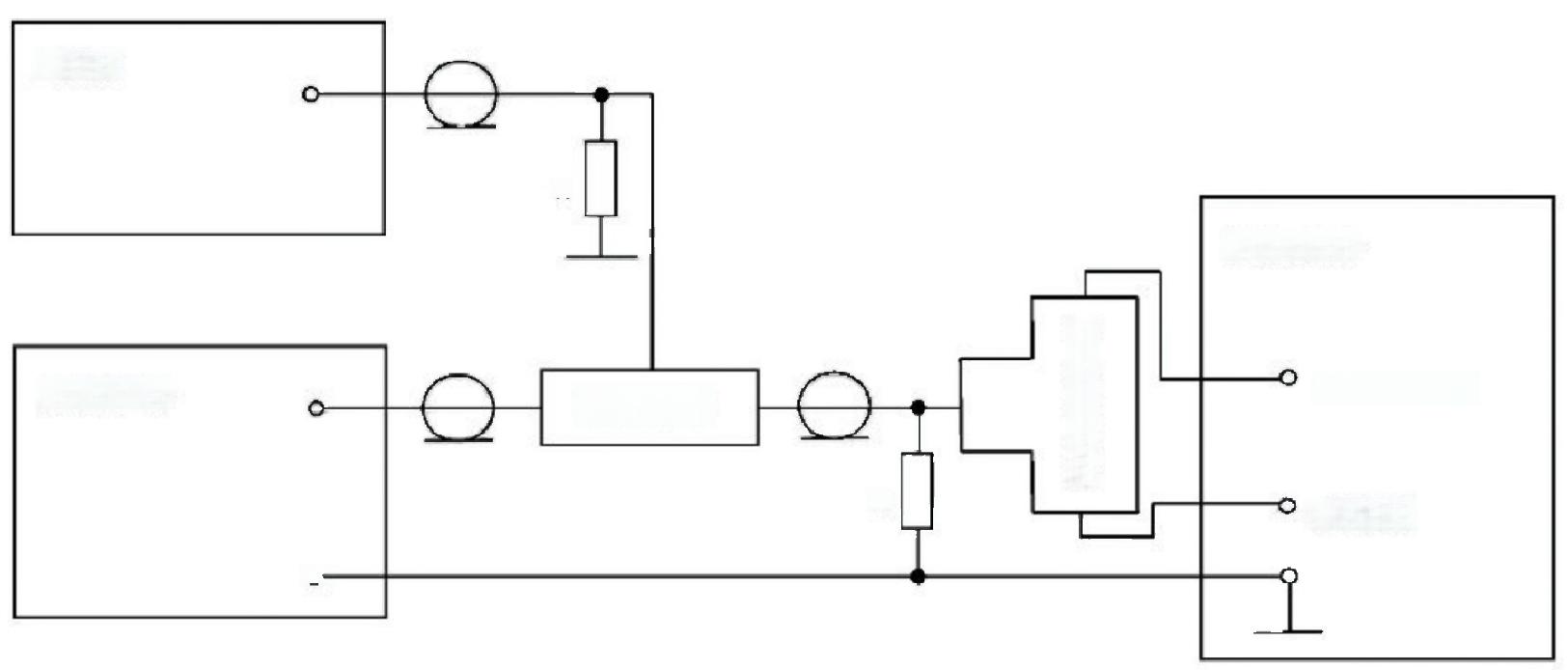
6.6.17 共模抑制比
6.6.17.1 测试框图
见图24或图25。
信号发生器
被测示波器
差分输入端
—O B
a)
图 2 4
GB/T 6585—2013
信号发生器
-
被测示波器
A
差分输入端
O
B
b)
图 2 4 ( 续 )
信号发生器
被测示波器
Yi 输入端
Y₂ 输入端
—
图 2 5
6.6.17.2 试验方法
6.6.17.2.1 差分输入共模抑制比
先按图24a) 连接,偏转系数置于基准档,输入耦合方式均置于"DC",
按产品标准中规定的频率值,
调节信号发生器的输出电压直至能清晰读出显示高度 H₂ ,
然后,信号发生器输出保持不变,按图24b)
连接。选择合适的偏转系数,读取此时的显示高度为 H,
则共模抑制比由式(28)求得:
( 28)
式 中 :
D₁— 单端输入时的偏转系数,单位为伏每格(V/div);
H,—— 单端输入时的显示高度,单位为格(div);
D₂—— 双端输入时的偏转系数,单位为伏每格(V/div);
H₂— 双端输入时的显示高度,单位为格(div)。
注:接到差分输入端的两连接线的规格与长度应一致。
6.6.17.2.2 多迹示波器共模抑制比
按图25连接,二通道偏转系数均置于基准档,输入耦合均置于"DC",
显示工作方式置于"Y₁-Y₂"。
按产品标准中所规定的频率值,调节信号发生器的输出电压,直至能清晰读出显示高度
H₂ 。 然后,保
持信号发生器输出不变,将显示方式改置"单踪显示",选择合适的偏转系数,读取此时的显示高度
H,
则其共模抑制比由式(28)求得。
注:多于二通道的示波器,应在所有通道选择每二通道组合测试,所得测试值,取其最小值为多迹示波器共模抑制比值。
GB/T 6585—2013
6.6.18 扫描时间系数范围与档级及误差
6.6.18.1 测试框图
见图26。

图 2 6
6.6.18.2 试验方法
偏转系数置于合适档,调节时标信号发生器的输出频率(或时标周期)与时间系数相适应,用触发
(同步)的方式显示 n
个周期稳定的波形,读取水平方向检验工作面长度约80%的显示长度与其相对应
的 n 周期的总时间,则其时间系数及误差分别由式(29)、式(30)求得:
( 29)

………………………… (30)
式 中 :
K 。——80% 检验工作面内平均时间系数的实测值,单位为秒每格(s/div);
T —n个周期的总时间,单位为秒(s);
l,—n 个周期对应的显示长度,单位为格(div);
E ——时间系数误差;
Km—— 时间系数的额定值,单位为秒每格(s/div);
l ——K 时间系数对应的显示长度,单位为格(div)。
注:经扩展后的时间系数误差仍用本方法测试,但在快扫速时,允许扣除视在信号延迟时间及扫描线末端20%
部分 。
6.6.19 微调比
6.6.19.1 测试框图
见图26。
6.6.19.2 试验方法
扫描时间系数"微调"置于"校准"位置,获得合适的(一般不少于2个周期)显示波形后,读取显示的
周期数与对应的长度,然后将"微调"置"非校准"极限位置,读取此时的周期数与对应的长度,其微调比
由式(31)求得:
GB/T 6585—2013

……
…………
(31)
式中:
n₂—— " 微调"置逆时针(非"校准")极限位置时,检验工作面内波形的周期数;
l₁——n₁ 个周期在坐标刻度上所测得的长度,单位为格(div);
ni—— " 微调"置顺时针(“校准”)极限位置时,检验工作面内波形的周期数;
l₂— n₂ 个周期在坐标刻度上所测得的长度,单位为格(div)。
6.6.20 扩展
6.6.20.1 测试框图
见图26。
6.6.20.2 试验方法
偏转系数置于合适档,时间系数置于待测档,调节时标信号发生器输出频率,触发(同步)后,使在检
验工作面内逐个对应坐标刻度线显示相应个周期的信号,读测检验工作面80%内的时间系数,然后置
“扩展”,改变位移,并调节信号发生器输出频率,使显示波形的周期再次满足与坐标刻度逐一对应,读测
此时检验工作面80%内的扩展时间系数。
则扩展倍率与倍率误差分别由式(32)、式(33)求得:


式中:
A — 扩展倍率的实测值;
K 。—— 未经扩展时的时间系数,单位为秒每格(s/div);
Kb— 经扩展后的时间系数,单位为秒每格(s/div);
E —— 倍率误差;
A 。—— 额定的扩展倍率。
6.6.21 扫描线性误差
6.6.21.1 测试框图
见图27。

(32)
(33)
图 2 7
GB/T 6585—2013
6.6.21.2 试验方法
6.6.21.2.1 扫描线性误差
偏转系数置于合适档,时间系数置于待测档,调节时标信号发生器输出频率(或周期)使与时间系数
相适应,其显示波形如图27所示,分别读测经扣除视在信号延迟时间 ta
后,在检验工作面80%内的平
均时间系数,与两边缘10%区域内的平均时间系数,则扫描线性误差由式(34)求得,取二者较大值。

…………
……………
(
式 中 :
K 。— 检验工作面左端10%边缘内的实测平均时间系数,单位为秒每格(s/div);
K 。——80% 检验工作面内的实测平均时间系数,单位为秒每格(s/div);
b — 检验工作面左端10%边缘内的实测时标周期的平均值,单位为秒(s);
a ——80% 检验工作面内的实测时标周期的平均值,单位为秒(s);
K 。—— 检验工作面右端10%边缘内的实测平均时间系数,单位为秒每格(s/div);
c —— 检验工作面右端10%边缘内的实测时标周期的平均值,单位为秒(s)。
6.6.21.2.2 扩展扫描线性误差
偏转系数置于合适档,时间系数分别置于最慢、中间、较快档,调节信号发生器的输出频率(或时标
周期),使与时间系数相适应。然后在扣除视在信号延迟时间后检验工作面80%内的扫描起始点附近、
中央及终点附近"扩展",并按扩展倍率调节时标信号发生器的输出频率(或周期),如图28所示,用
6.6.21.2.1方法读测扩展后扫描起始点、中央及终止点附近的扫描线性误差,取三者较大值。
注1:快速扫描扩展线性误差被包含在扫描扩展时间系数误差内;
注2:本方法所规定的较快档,是指扩展后时间系数的档级应对应被测示波器带宽的上限频率所换算的周期。

a) 在扫描起始点附近进行扫描扩展时的线性测试波形

b) 在扫描中央进行扫描扩展时的线性测试波形
图 2 8
GB/T 6585—2013

c) 在扫描终止点附近进行扫描扩展时的线性测试波形
图28(续)
6.6.22 连续扫描频率范围
6.6.22.1 测试框图
见图29。

图 2 9
6.6.22.2 试验方法
偏转系数置合适档,扫描"微调"置于最高(最低)端,调节信号发生器的输出频率,使获得一个完整
周期的正弦波显示,读测此时信号发生器的输出频率f₁ ,
然后将扫描"微调"处于另一端,用同样方法读
测信号发生器频率为f₂ , 则该档扫描频率范围即f₁ ~f₂。
按上述步骤在所有待测的扫描频率档级上进行。
6.6.23 XY 相位差
6.6.23.1 测试框图
见图30。
被测示波器
0 Y 输入端
X 输入端
图 3 0
GB/T 6585—2013
6.6.23.2 试验方法
垂直与水平偏转系数均置于合适档,输入耦合置于"DC", 显示工作方式置于 XY
显示,按产品标准 规定的频率调节信号发生器的输出电压,以获得XY
的显示图像,如图31所示,读取h、H 值,其相位差
由式(35)求得:


图 3 1
6.6.24 延迟时间范围
6.6.24.1 测试框图
见图26或图33。
6.6.24.2 试验方法
6.6.24.2.1 具有延迟时间加亮显示功能的双时基电路
…………………………
(35)
如图26连接,按产品标准中给出的最小延迟时间t₁
值和最大延迟时间t。值,使输入信号波形周期 为 ti,
延迟扫描时间系数约为(2~5)ti/div, 被延迟扫描系数置ti/div
或最快档,时基显示置于"加亮",
延迟倍率置适中,获得加亮显示并保持图像稳定后,逐步减小延迟倍率数,如图32a)
所示,直至测出最 小延迟时间 tami 应小于 ti, 然后使输入信号周期为 t₂,
延迟扫描时间置于相应的位置,被延迟扫描置
t₂/div 或最慢档,逐步增大延迟倍率值,如图32b)
所示,直至测出最大延迟时间tu.mx应大于t₂。

a) 最 小 延 迟 时 间 测 试 波

b) 最 大 延 迟 时 间 测 试 波 形
图 3 2
GB/T 6585—2013
6.6.24.2.2 具有延迟信号闸门(或被延迟扫描信号)输出的双时基电路
如图33连接,按6.6.24.2.1的试验方法,获得最小延迟时间 ta.mi与最大延迟时间
ta.mx显示,这些 数值,可以从测量示波器双踪显示所获得的图34中ta
的值读取。同样,最小延迟时间ta.mi应小于t,
最大延迟时间ta.mx应大于t₂。
测量示波器
B 输入端
时标信号发生器
Y 输入端
A 输入端
-
图 3 3
外同步输入端脉冲波形
延迟闸门输出脉冲波形
被延迟扫描输出波形
a
图34
注:当延迟时间范围分扫描时间系数档级给出时,应在给出的所有档级上试验。
6.6.25 延迟时间刻度线性误差
6.6.25.1 测试框图
见图26。
6.6.25.2 试验方法
偏转系数置合适档,显示方式置于"延迟扫描",时间系数置于"tʌ/div",调节时标信号发生器的输
出频率与延迟扫描时间系数相适应,使延迟扫描触发同步后,显示方式改置"被延迟扫描",时间系数置
于"tg/div",除非另有规定,对延迟扫描时间系数"tA/div"可设置为"1 ms/div",
被延迟扫描时间系数
“tp/div"设定为"0.1 ms/div”
的双时基自动工作状态,延迟倍率置"1"附近,使波形居中显示,读取度盘
GB/T 6585—2013
值为 D₁, 然后改变"延迟倍率",依次读取显示波形出现在同一位置时的度盘值
D₂ … …D- 1, 则延迟刻
度线性误差由式(36)求得,取二者较大值。
…………………………
式中:
b— 度盘各相邻刻度间读测值之间的最大差值,单位为格(div);
a— 度盘各相邻刻度间读测值之间差值变化量的平均值,单位为格(div);
c— 度盘各相邻刻度间读测值之间的最小差值,单位为格(div)。
6.6.26 时基晃动
6.6.26.1 测试框图
见图35a), 当用外触发试验时,见图35b)。
6.6.26.2 试验方法
6.6.26.2.1 扫描时基晃动
时间系数置于最快档(经扩展后),调节信号发生器的输出频率为触发(同步)频率范围的上限值,输
出电压达到检验工作面高度的30%,读取图像在 X
轴方向上抖动最大的宽度所代表的时间值Tm。
6.6.26.2.2 被延迟扫描延迟晃动比
被延迟扫描时间系数置于较快档,并处于"自激"工作状态;延迟扫描时间系数与被延迟扫描时间系
数的比值应不小于1000,"延迟倍率"置于适当位置,调节信号发生器输出电压,使显示为检验工作面高
度30%;改变信号发生器时标周期,使显示波形与时间系数相适应,并居中显示,调节"延迟倍率",读取
如图36所示图像在 X
轴方向上抖动最大宽度所代表的时间值,则延迟晃动比由式(37)求得:
(37)
式中:
△T;— 光迹抖动最大宽度与被延迟扫描时间系数的乘积;
T;—— 延迟倍率值与延迟扫描时间系数的乘积。
正弦信号发生器
-
0
被测示波器
Y 输 入 端
R
a) 内触发时
图 3 5
GB/T 6585—2013

b) 外 触 发 时
图35(续)

图 3 6
6.6.27 时基信号输出
6.6.27.1 测试框图
见图37。
被测示波器
时基信号输出端
0-
测量示波器
10:1探极
Y 输入端
R
图37
6.6.27.2 试验方法
偏转系数置于合适档,时基系统置于合适的工作状态,在产品标准规定的负载条件下,读出时基信
号输出的幅度、波形及极性。
GB/T 6585—2013
6.6.28 释抑调节
6.6.28.1 测试框图
见图37。
6.6.28.2 试验方法
偏转系数、扫描时间系数置于合适档,扫描工作方式置"自动",释抑调节装置置"关闭"或释抑时间
处于最小位置,读出扫描锯齿波信号休止期时间t₁ ,
如图38a)所示,然后将释抑调节打开并缓慢调节,
从测量示波器的屏幕上应能看到t₁
时间逐步延长,直至释抑调节至最大位置,读出扫描锯齿波休止期
时间t₂ ,如图38b)。 释抑调节倍率由式(38)求得:
………………………… (38)
注: 如被测示波器无时基信号输出装置,则释抑调节检查应在产品标准中给出。

a) 最小释抑时间扫描休止期

b ) 最 大 释 抑 时 间 扫 描 休
止 期
图 3 8
6.6.29 时基自动设定
6.6.29.1 测试框图
见图26。
6.6.29.2 试验方法
偏转系数置合适档,信号发生器输出频率置1 kHz,
调节输出幅度使示波器显示观察幅度约为检验
工作面的50%并居中,示波器置被触发(同步)状态,打开"时基自动设定"装置,待稳定显示后,读取示
波器显示屏上显示周期数为n。,然后,依次改变信号发生器的输出频率至给定的频率范围下限值和上
限值,并依次打开"时基自动设定"装置,依次读取屏幕上稳定显示的信号周期数mi、n2。no、ni、n₂
即为
时基自动设定状+c 态给定频率范围内显示的信号周期数。
6.6.30 触发(同步)特性
6.6.30.1 测试框图
见图35。
6.6.30.2 试验方法
如无特殊规定,按表1规定的测试方法进行测试:
GB/T 6585—2013
a)
本特性与允许的时基晃动有关,高频测试时允许图像晃动不超过产品标准规定的晃动值;
b)
当示波器具有耦合方式装置时,应分别在不同的耦合方式工作状态下,按表1进行测试;
c) 当产品标准中给出正弦波及脉冲波不同要求时,应分别进行测试。
d) 当示波器置锁相高频同步状态时,表1中对触发极性不作要求。
表 1 触发(同步)特性
|
|
|
|
| ||||
|---|---|---|---|---|---|---|---|---|
|
|
|
|
|
|
|
|
|
|
|
|
|
|
|
|
|
|
| 1 ms/div |
|
|
| ||||
| 1 kHz正弦波 |
|
|
| ||||
|
|
|
|
|
|
|
| |
|
|
|
|
| ||||
|
|
|
|
|
| |||
|
|
|
|
|
|
| ||
6.6.31 图像畸变(几何失真)
6.6.31.1 测试框图
见图29。
6.6.31.2 试验方法
6.6.31.2.1 边缘直线度偏差
输入耦合置"接地"(或合适档),扫描处于自激工作状态(或不工作),使光迹幅度达到检验工作面的
幅度,调节位移,如图39所示,测定其在检验工作面内上下(或左右)边缘位置时,光迹最大弯曲偏离直
线的距离Dmx 应不超过产品标准中规定值。

图 3 9
GB/T 6585—2013
6.6.31.2.2 垂直度偏差
输入耦合置"接地",扫描工作方式置待"触发",信号发生器输出置"零",调节垂直和水平"位移",使
光点处在 X 、Y 坐标的原点,偏转系数置合适档,耦合置"DC",
调节信号发生器输出为检验工作面的
80%,保持时基系统不工作,使图像居中显示,如图40所示。读测此时 X
轴与图像的交角α,垂直度偏
差为90°- α。

图 4 0
6.6.31.2.3 水平度偏差
将被测示波器所有垂直通道开启并使输入端接地或短路,改变位移,使各通道光迹调节至屏幕中央
并保持适当距离,然后选择二条最不平行的光迹,将该二光迹的始端位移重合,测量该二光迹间的夹角
θ,如图41所示,其平行度偏差由式(39)求得:
式中:

…………………………
(39)
θ ——两光迹的夹角,单位为度(°);
△H—— 两光迹末端开口的距离,单位为格(div);
l —— 光迹在检验工作面的水平面长度,单位为格(div)。

图 4 1
6.6.32 外调辉
6.6.32.1 测试框图
见图42。
GB/T 6585—2013

图 4 2
6.6.32.2 试验方法
6.6.32.2.1 输入电阻
按6.6.1试验方法进行。
6.6.32.2.2 最大输入电压
按6.6.2试验方法进行。
6.6.32.2.3 调辉电压范围与极性
一般以1 kHz 正弦波电压在匹配的条件下检查。
偏转系数置于合适档,时间系数置于"1
ms/div",使显示的峰值电压略小于产品标准规定的增辉电
压范围,用内触发方式获得稳定的显示波形后,配合辉度调节,应能观察到具有周期性的明暗调制显示,
使明亮处到达正常辉度,从明暗分界线中,判断增辉作用的电压值范围与极性。
6.6.32.2.4 最高调辉频率
偏转系数与时间系数均置于合适档,调节信号发生器的输出电压为产品标准规定的调辉电压值,获
得图像稳定显示后,使波形显示出可分辨的调辉现象,改变信号发生器的输出频率及时间系数,并保持
图像稳定的调辉现象,直到调辉现象消失前,信号发生器的输出频率,为最高调辉频率。
6.6.33 探极校准信号
6.6.33.1 测试框图
见图43与图44。
差分测量示波器
被测示波器
A 输入端
标准脉冲电压发生器
校准信号输出
B 输入端
O
图 4 3
GB/T 6585—2013
6.6.33.2 试验方法
6.6.33.2.1 探极校准信号电压误差
按图43连接,差分测量示波器偏转系数为合适档,调节"位移"使差分输入耦合接地时光迹上下居
中,然后置耦合为"DC",
将被测示波器的校准信号输出与信号发生器输出分别同时馈入测量示波器差
分输入端,调节信号发生器的输出,使测量示波器输入信号的差分值波形逼近重合,读取此信号发生器
指示的电压幅度值U, 则探极校准信号幅度误差由式(40)求得:
式中:
U—
U。—
6.6.33.2.2
![]() |
|
|
|
|---|
标准脉冲电压发生器指示的电压幅度值,单位为伏(V);
探极校准信号电压幅度的额定值,单位为伏(V)。
探极校准信号频率误差
按图44连接,将探极校准信号输入至频率计,记录频率计所指示的频率,则频率误差由式(41)
求得:
式中:
f-
fo—
![]() |
|
|
|
|---|
频率计显示的重复频率,单位为赫兹(Hz);
探极校准信号重复频率的额定值,单位为赫兹(Hz)。
频率计
输入端
被测示波器
校准信号输出端
图 4 4
6.6.34 探 极
6.6.34.1 测试框图
见图45。
6.6.34.2 试验方法
按表2进行测试。
GB/T 6585—2013
表 2 探 极 特 性
|
|
|
|
|---|---|---|---|
|
|
|
|
|
|
|
|
|
|
|
|
|
|
|
|
|
|
|
|
信号发生器
0-
输 出
被测探极
R[
示波器
-oY 输入端
测量器(或电压源)
a)
示波器
被测探极
一 ○ Y 输入端
b)
图 4 5
6.6.34.3 探极衰减比及误差的测试方法
除非另有规定,本项测试是探极和示波器组合后的特性测试,先将被测探极置不衰减位置,信号发
生 器 采 用 1 kHz
方波,调节信号发生器输出电压,使显示高度为检验工作面高度的80%,然后,置被测
衰减档位置,按给定的倍率,相应增大信号发生器的输出电压倍数,读取显示高度
H, 则探极衰减比及
其误差分别由式(42)、式(43)求得:


…………………………
…………………………
(42)
(43)
式 中 :
N 实测的探极衰减比;
N 。— 额定的探极衰减比;
H 。—— 未衰减时的额定显示高度;
H — 衰减后,增大 N 。倍信号电压的显示高度;
E — 探极衰减比误差。
GB/T 6585—2013
6.6.35 光标测量
6.6.35.1 时间间隔
6.6.35.1.1 测试框图
见图26。
6.6.35.1.2 试验方法
被测示波器Y 轴偏转系数置于合适档级,扫描时间系数置于0.5 ms/div
档级,将时标信号发生器 1ms 的信号输至被测示波器Y
轴输入端,屏幕上显示五个周期的时标信号,使二光标分别对准同一水
平刻度的相邻二个时标,如图46所示,二光标显示的时间间隔△t
的准确度应符合产品标准规定。

图 4 6
注:扫描时间系数误差和扫描线性误差被包含在△t 内。
6.6.35.2 幅度差
6.6.35.2.1 测试框图
见 图 7
6.6.35.2.2 试验方法
被测示波器Y 轴偏转系数置于10 mV/div,
微调比置于校准档级,扫描时间系数置于合适的档级,
将标准电压发生器输出幅度为50 mV, 频率为1 kHz 的信号输至被测示波器 Y
轴输入端,屏幕上显示 5 div
左右,使二个光标分别对准方波的顶部与底部,如图47所示,二光标显示的幅度差△V
的测量准
确度应符合产品标准规定。

图47
注:Y 轴偏转系数误差和幅度线性误差被包含在△V 内。
6.6.36 频率测量
6.6.36.1 测试框图
见图48。
GB/T 6585—2013
频率计数器
时标信号发生器
0-
三通连接器
衰减器
被测示波器
Y 输入端
R
图 4 8
6.6.36.2 试验方法
按图48连接,被测示波器偏转系数置适合档,时标信号发生器输出频率f。精确为1
kHz, 调节输
出幅度,使示波器显示的幅度值符合或略小于产品标准规定的频率测量灵敏度值,信号居中并稳定显
示,读出示波器指示的频率值f₁ , 则频率测量误差F 由式(44)求得:
(44)
保持上述测试状态不变,调节时标信号发生器输出频率为 fu
等于或略低于示波器产品标准中规
定的下限频率,调节时标信号发生器输出频率为fn
等于或略高于示波器标准中规定的上限频率,使时
标波形均能满足稳定显示。相应读出下限频率和上限频率值f₂ 、f₃, 将 f₂
、fn 和 f₃ 、fH 分别代入式
(44)中fi、fo,求得下限频率和上限频率误差值 F、FH,F、FL、Fn
值都应满足给定的误差要求。
6.7 安全性
按GB/T 6587—2012 中5.8方法进行。
6.8 环境适应性
按GB/T 6587—2012 中5.9方法和试验顺序进行。
6.9 包装及运输
按GB/T 6587—2012 中5.10规定进行。
6.10 电磁兼容性
按GB/T 6587—2012 中5.11方法进行。
6.11 可靠性
按GB/T 6587—2012 中5.13方法进行。
GB/T 6585—2013
7 检验规则
7.1 检验分类
本标准规定的检验分为:
a) 鉴定检验;
b) 质量一致性检验。
7.2 检验项目
按 GB/T 6587—2012
中表9规定进行,鉴定检验的性能特性项目按表3规定进行,质量一致性检
验的性能特性项目按表4规定进行。
7.3 抽样及合格判据
7.3.1 鉴定检验按GB/T 6587—2012 中6.3.2、6.3.3规定进行。
7.3.2 质量一致性检验按GB/T 6587—2012 中6.4相应规定进行。
表 3 鉴定检验项目表
|
|
|
|
| ||||||||||
|---|---|---|---|---|---|---|---|---|---|---|---|---|---|---|
|
|
|
|
|
|
|
|
|
|
| ||||
|
|
|
|
|
| |||||||||
|
|
|
|
|
|
|
| |||||||
|
|
|
|
| ||||||||||
|
|
|
|
|
| |||||||||
|
|
|
| |||||||||||
|
|
|
| |||||||||||
|
|
|
| |||||||||||
|
|
|
|
|
|
|
| |||||||
|
|
|
|
|
|
| ||||||||
|
|
|
|
| ||||||||||
|
|
|
|
|
|
|
|
| ||||||
|
|
|
| |||||||||||
|
|
|
|
|
|
|
|
| ||||||
|
|
|
|
| ||||||||||
|
|
|
| |||||||||||
|
|
|
|
| ||||||||||
|
|
|
|
| ||||||||||
|
|
|
|
|
| |||||||||
GB/T 6585—2013
表 3 ( 续 )
|
|
|
|
| ||||||||||
|---|---|---|---|---|---|---|---|---|---|---|---|---|---|---|
|
|
|
|
|
|
|
|
|
|
| ||||
|
|
|
|
|
|
|
| |||||||
|
|
|
|
|
|
|
|
|
|
|
|
| ||
|
|
|
|
|
| |||||||||
|
|
|
| |||||||||||
|
|
|
| |||||||||||
|
|
|
|
| ||||||||||
|
|
|
|
|
|
|
| |||||||
|
|
|
|
|
|
|
|
|
|
| ||||
|
|
|
|
|
| |||||||||
|
|
|
|
|
|
| ||||||||
|
|
|
| |||||||||||
|
|
|
|
| ||||||||||
|
|
|
|
|
| |||||||||
|
|
|
|
|
| |||||||||
|
|
|
| |||||||||||
|
|
|
|
|
| |||||||||
|
|
|
| |||||||||||
|
|
|
|
|
|
|
|
|
|
|
| |||
|
|
|
| |||||||||||
|
|
|
|
| ||||||||||
|
|
|
|
|
|
|
|
| ||||||
|
|
|
|
|
|
|
|
|
|
|
| |||
|
|
|
| |||||||||||
|
|
|
|
|
|
|
| |||||||
|
|
|
|
|
|
|
|
| ||||||
|
|
|
|
|
|
|
|
| ||||||
|
|
|
|
|
|
|
|
| ||||||
|
|
|
|
|
|
|
|
| ||||||
|
|
|
|
| ||||||||||
GB/T 6585—2013
表 3 ( 续 )
|
|
|
|
| ||||||||||
|---|---|---|---|---|---|---|---|---|---|---|---|---|---|---|
|
|
|
|
|
|
|
|
|
|
| ||||
|
|
|
|
|
|
| ||||||||
|
|
|
| |||||||||||
|
|
|
|
| ||||||||||
|
|
|
|
| ||||||||||
|
|
|
|
|
| |||||||||
|
|
|
|
|
|
| ||||||||
|
|
|
|
|
|
|
|
| ||||||
|
|
|
|
|
|
|
|
|
|
|
| |||
|
|
|
|
|
|
| ||||||||
|
|
|
|
|
|
| ||||||||
|
|
|
|
|
|
| ||||||||
|
|
|
| |||||||||||
|
|
|
| |||||||||||
| ||||||||||||||
表 4 质量一致性检验项目表
|
|
|
|
| ||||||||||
|---|---|---|---|---|---|---|---|---|---|---|---|---|---|---|
|
|
|
|
|
| |||||||||
|
|
|
|
|
|
|
|
|
|
| ||||
|
|
|
|
| ||||||||||
|
|
|
|
|
| |||||||||
|
|
|
|
|
|
|
|
| ||||||
|
|
|
| |||||||||||
|
|
|
| |||||||||||
|
|
|
| |||||||||||
|
|
|
| |||||||||||
|
|
|
|
| ||||||||||
|
|
|
|
| ||||||||||
|
|
|
|
| ||||||||||
|
|
|
|
| ||||||||||
|
|
|
|
| ||||||||||
GB/T 6585—2013
表 4 ( 续 )
|
|
|
|
| ||||||||||
|---|---|---|---|---|---|---|---|---|---|---|---|---|---|---|
|
|
|
|
|
| |||||||||
|
|
|
|
|
|
|
|
| 包装运输 |
| ||||
|
|
|
|
| ||||||||||
|
|
|
|
|
| |||||||||
|
|
|
|
|
|
| ||||||||
|
|
|
|
|
| |||||||||
|
|
|
|
| ||||||||||
|
|
|
|
|
| |||||||||
|
|
|
|
|
|
|
| |||||||
|
|
|
|
|
|
|
|
| ||||||
|
|
|
| |||||||||||
|
|
|
|
|
|
|
|
|
| |||||
|
|
|
|
|
| |||||||||
|
|
|
|
| ||||||||||
|
|
|
|
|
|
| ||||||||
|
|
|
|
|
|
| ||||||||
|
|
|
|
|
|
|
|
| ||||||
|
|
|
|
|
|
|
|
|
|
| ||||
|
|
|
|
|
|
|
|
| ||||||
|
|
|
|
|
| |||||||||
|
|
|
|
| ||||||||||
|
|
|
|
|
|
|
| |||||||
|
|
|
|
|
|
|
|
| ||||||
|
|
|
|
|
| |||||||||
|
|
|
|
|
| |||||||||
|
|
|
|
|
|
|
| |||||||
|
|
|
|
|
|
|
|
| ||||||
|
|
|
|
| ||||||||||
|
|
|
|
|
|
| ||||||||
|
|
|
|
|
|
|
|
| ||||||
|
|
|
|
| ||||||||||
GB/T 6585—2013
表4(续)
|
|
|
|
| ||||||||||
|---|---|---|---|---|---|---|---|---|---|---|---|---|---|---|
|
|
|
|
|
| |||||||||
|
|
|
|
|
|
|
|
|
|
| ||||
|
|
|
|
|
|
| ||||||||
|
|
|
|
| ||||||||||
|
|
|
|
| ||||||||||
|
|
|
|
| ||||||||||
|
|
|
|
| ||||||||||
|
|
|
|
| ||||||||||
|
|
|
|
|
|
| ||||||||
|
|
|
|
|
|
|
| |||||||
|
|
|
|
|
|
|
| |||||||
|
|
|
|
|
| |||||||||
|
|
|
|
|
|
|
|
| ||||||
|
|
|
|
|
|
|
| |||||||
|
|
|
|
|
|
|
| |||||||
|
|
|
|
|
|
|
|
|
|
| ||||
|
|
|
| |||||||||||
|
|
|
| |||||||||||
|
|
|
| |||||||||||
|
|
|
| |||||||||||
|
|
|
|
|
|
| ||||||||
| ||||||||||||||
8 标志、包装、运输、贮存
8.1 标志
8.1.1 产品标志
a) 名称和型号;
b) 序号;
c) 生产日期;
d) 制造厂的名称。
GB/T 6585—2013
8.1.2 包装标志
a) 制造厂的名称、商标(代号);
b) 产品的名称,型号;
c) 装箱年、月;
d) 毛重;
e) 包装箱的外形尺寸;
f) 其他包装储运图示标志应符合 GB/T 191 的规定。
8.2 包装
包装应根据产品的形状、质量、防护等级以及规定的存放和运输条件,采取合适的包装,以保证仪器
在运输过程中免受损坏。包装容器应在产品标准中规定。
8.3 运输
示波器按规定装入包装箱后,可用各种无强烈振动的交通工具运输,运输中不应受雨、霜、雾直接影
响,按标志"向上"放置,并不受挤压、撞击等损伤。
8.4 贮存
包装好的示波器应贮存在通风干燥、无酸、碱及腐蚀性气体的库房中。产品标准中应规定贮存条件
和堆码高度。
9 随机文件
按GB/T 6587—2012 中第7章规定。
延伸阅读
更多内容 可以 GB-T 6585-2013 阴极射线示波器通用规范. 进一步学习
联系我们
T-CAAMTB 137—2023 数字钥匙系统射频技术要求及性能测试方法.pdf
本文来自互联网用户投稿,文章观点仅代表作者本人,不代表本站立场,不承担相关法律责任。如若转载,请注明出处。 如若内容造成侵权/违法违规/事实不符,请点击【内容举报】进行投诉反馈!




