OTC焊接机器人|OTC机器人启动盒FDOP-0005
今天这篇文章主要来介绍下OTC机器人的操作盒子(启动盒)请看下图:
OTC焊接机器人
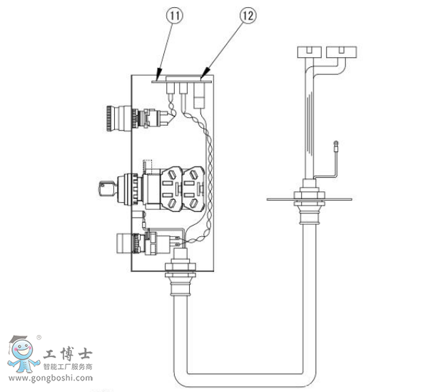
- 它的型号是FDOP-0005;05表示电缆长度。常用的操作盒(启动盒)有三种,如果电缆长度是5米的那么OTC机器人操作盒(启动盒)的型号就是FDOP-0005,如果电缆长度是10米的那么OTC机器人操作盒(启动盒)的型号就是FDOP-0010;同理我们可以知道FDOP-0015指的就是OTC机器人操作盒(启动盒)的电缆长度是15米。下面我们来看OTC机器人操作盒子(启动盒)图

。
OTC焊接机器人
OTC焊接机器人
- 下面我们再来看下表,便可以得知OTC机器人操作盒子(启动盒)的每个零部件的规格及对应的OTC订货号。

OTC焊接机器人
- 如果您在使用OTC机器人的过程中遇到操作盒(启动盒)有故障,需要更换零部件,但可以参照本文查找到零部件的订货号,点击工博士购买就行


本文来自互联网用户投稿,文章观点仅代表作者本人,不代表本站立场,不承担相关法律责任。如若转载,请注明出处。 如若内容造成侵权/违法违规/事实不符,请点击【内容举报】进行投诉反馈!
