带隙基准源要点
要点:
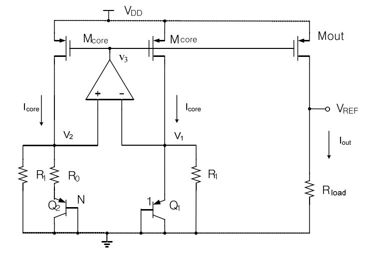
负反馈>正反馈;电流镜匹配;双极型晶体管匹配;电阻匹配;失调电压
为了保证系统稳定,要保证负反馈>正反馈,由于运放输出接在MOS管栅极,再反馈通路经过电阻,因此运放正输入端接在电阻较多的位置,可以保证负反馈量大于正反馈量
经过R0的电流𝒊𝑹𝟎=(𝑽𝑩𝑬𝟏−𝑽𝑩𝑬𝟐)/𝑹𝟎=∆𝑽𝑩𝑬/R0
经过R1的电流𝒊𝑹𝟏=VBE/R1
零温电流I = ∆𝑽𝑩𝑬/𝑹𝟎+ VBE/R1
零温电压V= (∆VBE/R0+ VBE/R1)* R_load
V= M ∙∆𝑽𝑩𝑬∙+N∙𝑽𝑩𝑬

本文来自互联网用户投稿,文章观点仅代表作者本人,不代表本站立场,不承担相关法律责任。如若转载,请注明出处。 如若内容造成侵权/违法违规/事实不符,请点击【内容举报】进行投诉反馈!
