华中科技大学计算机组成原理-存储系统设计(全部通关)
存储系统设计
- 前言
- 第1关:汉字字库存储芯片扩展实验
- 第2关: MIPS寄存器文件设计
- 第3关:MIPS RAM设计
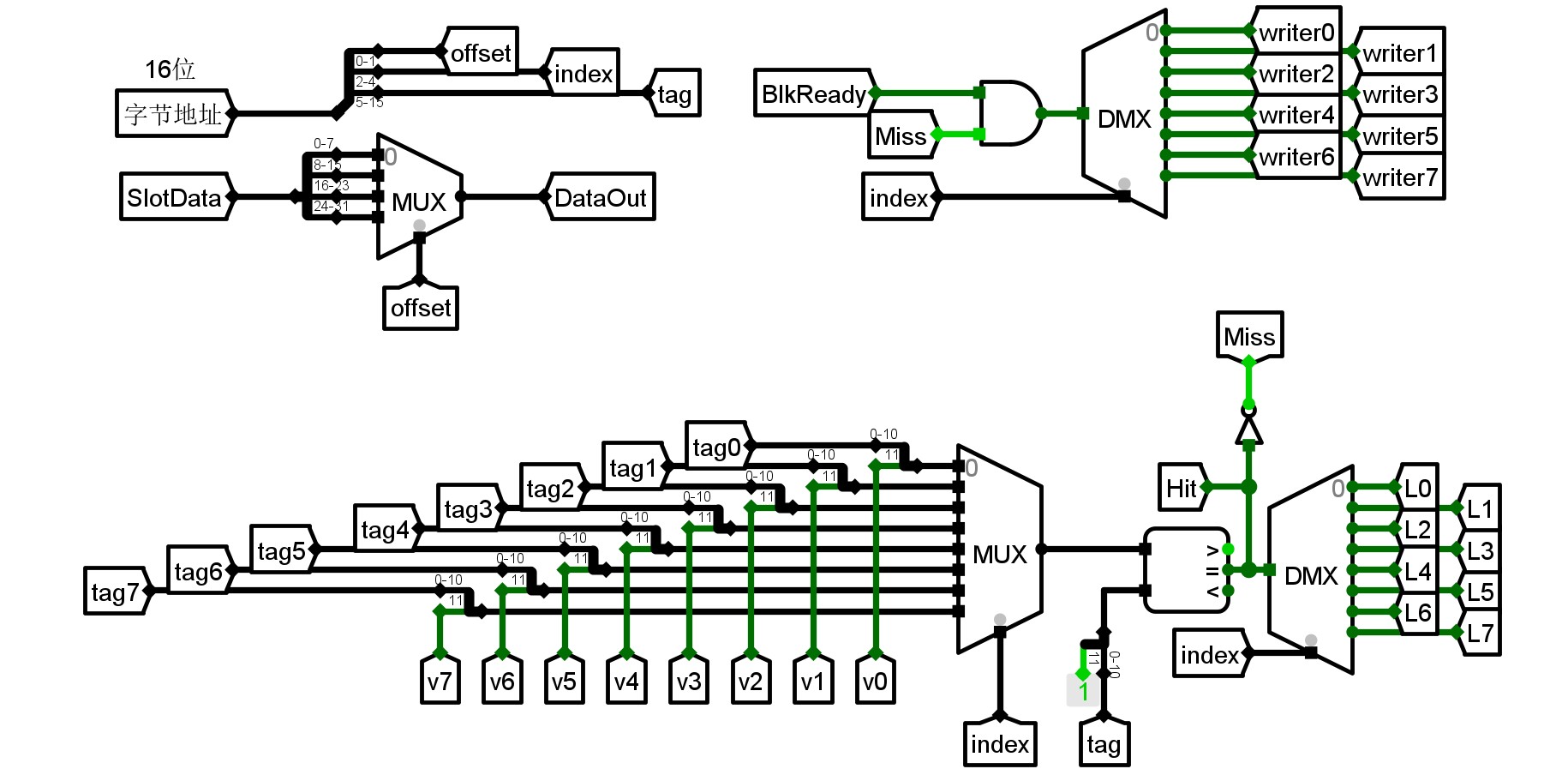
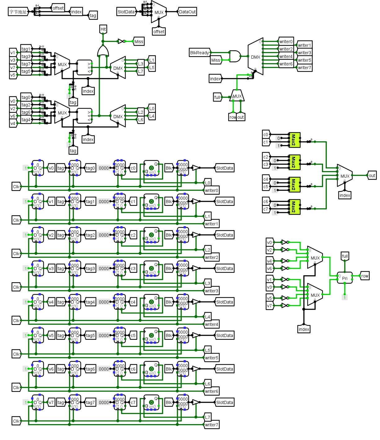
- 第4关:全相联cache设计
- 第5关:直接相联cache设计
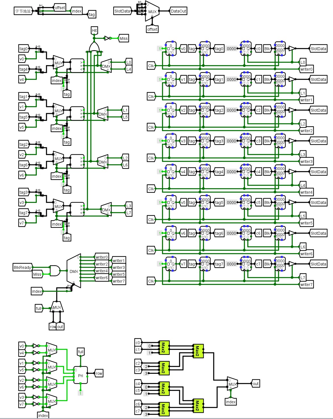
- 第6关:4路组相连cache设计
- 第7关:2路组相连cache设计
- *谭志虎老师提示
- 📄下载实验电路和测试代码
- 方式一
前言
本实训项目帮助大家理解计算机中重要部件—存储器,要求同学们掌握存储扩展的基本方法,能设计 MIPS 寄存器堆、MIPS RAM 存储器。能够利用所学习的 cache 的基本原理设计直接相联、全相联,组相联映射的硬件 cache。
学生掌握 cache 实现的三个关键技术:数据查找,地址映射,替换算法,熟悉译码器,多路选择器,寄存器的使用,能根据不同的映射策略在 Logisim 平台中用数字逻辑电路实现 cache 机制。

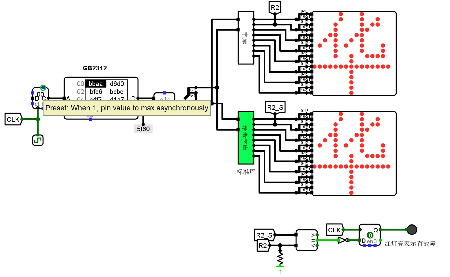
第1关:汉字字库存储芯片扩展实验

测试电路:

第2关: MIPS寄存器文件设计

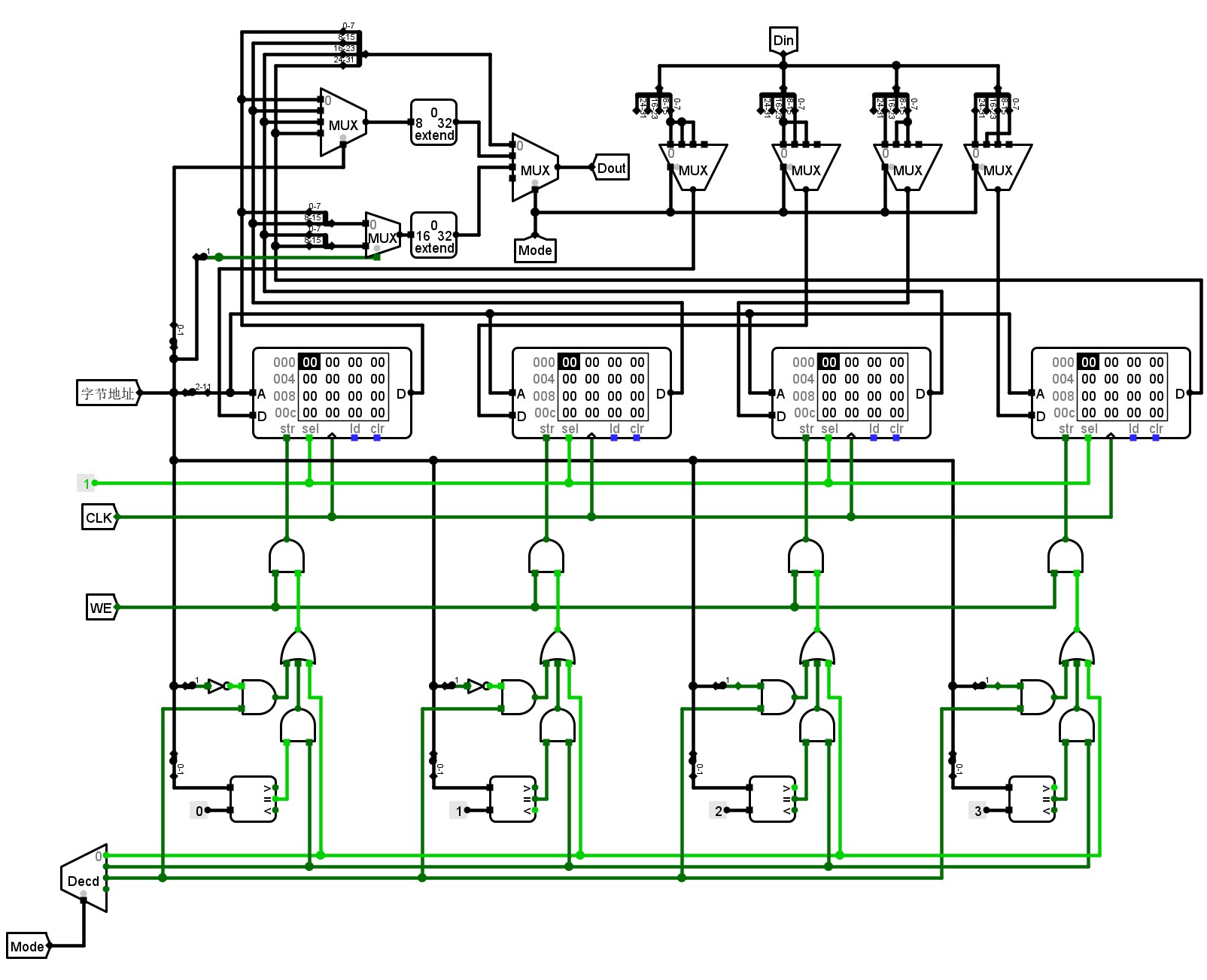
第3关:MIPS RAM设计


第4关:全相联cache设计




第5关:直接相联cache设计


第6关:4路组相连cache设计

第7关:2路组相连cache设计

*谭志虎老师提示
谭志虎:
清零信号用D触发器串接一下就可以过滤毛刺,另外D触发器默认触发方式是高电平触发,改成上跳沿触发才能过滤毛刺清零中的毛刺问题解决:清零动作改成同步清零,具体可以增加一个D触发器,将清零信号接输入,输出接异步清零,另外D触发器时钟触发方式请修改为上跳沿。
📄下载实验电路和测试代码
方式一
关注作者
下载存储系统设计实验包:storage(已通关).circ
CSDN下载

下载传送门:storage(已通关).circ
本文来自互联网用户投稿,文章观点仅代表作者本人,不代表本站立场,不承担相关法律责任。如若转载,请注明出处。 如若内容造成侵权/违法违规/事实不符,请点击【内容举报】进行投诉反馈!
